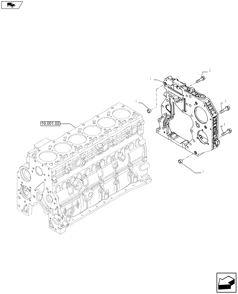
Запчасти Case IH F4HFE613T A004 (10.102.04) - CRANKCASE COVERS (2859268) (10) - ENGINE

Схема запчастей Case IH F4HFE613T A004 - (10.102.04) - CRANKCASE COVERS (2859268) (10) - ENGINE
5
1
home
3
4
10.001.02
1
2
FIT
1:1
100%

Артикул

Название

Примечание

Количество

1

4899026

DOWEL,M18 x 10

2шт.

2

4899078

SCREW,Hex Flg, M8 x 1.25 x 45

4шт.

3

4899093

BOLT,Hex Flange, M10 x 30.00mm, Cl 10.9, PHC

2шт.

3

4899073

SCREW,Hex Flg, M12 x 1.75 x 30

1шт.

4

4896939

SCREW,M10 x 1.5 x 50mm

M10 x 1,5 x 50

3шт.

5

2859269

HOUSING

1шт.

Выбрано товаров: 6