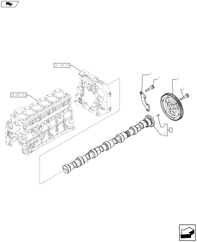
Запчасти Case IH F4HFE613U A005 (10.106.01) - SHORT BLOCK - CAMSHAFT - TIMING CONTROL (5801371818 - 504345141) (10) - ENGINE

Схема запчастей Case IH F4HFE613U A005 - (10.106.01) - SHORT BLOCK - CAMSHAFT - TIMING CONTROL (5801371818 - 504345141) (10) - ENGINE
6
2
home
10.001.02
10.106.03
5
1
3
7
4
FIT
1:1
100%

Артикул

Название

Примечание

Количество

1

4899079

SCREW,Hex Flg, M8 x 1.25 x 25

6шт.

2

4896380

DRIVEN GEAR

1шт.

3

4899068

BOLT,Flng, M8 x 1.25 x 16mm

2шт.

4

4897457

SUPPORT

1шт.

5

84342155

CAMSHAFT

- ASSY

1шт.

6

4899080

DOWEL,M6 x 8 L

1шт.

7

NSS

NOT SOLD SEPARAT

1шт.

Выбрано товаров: 7