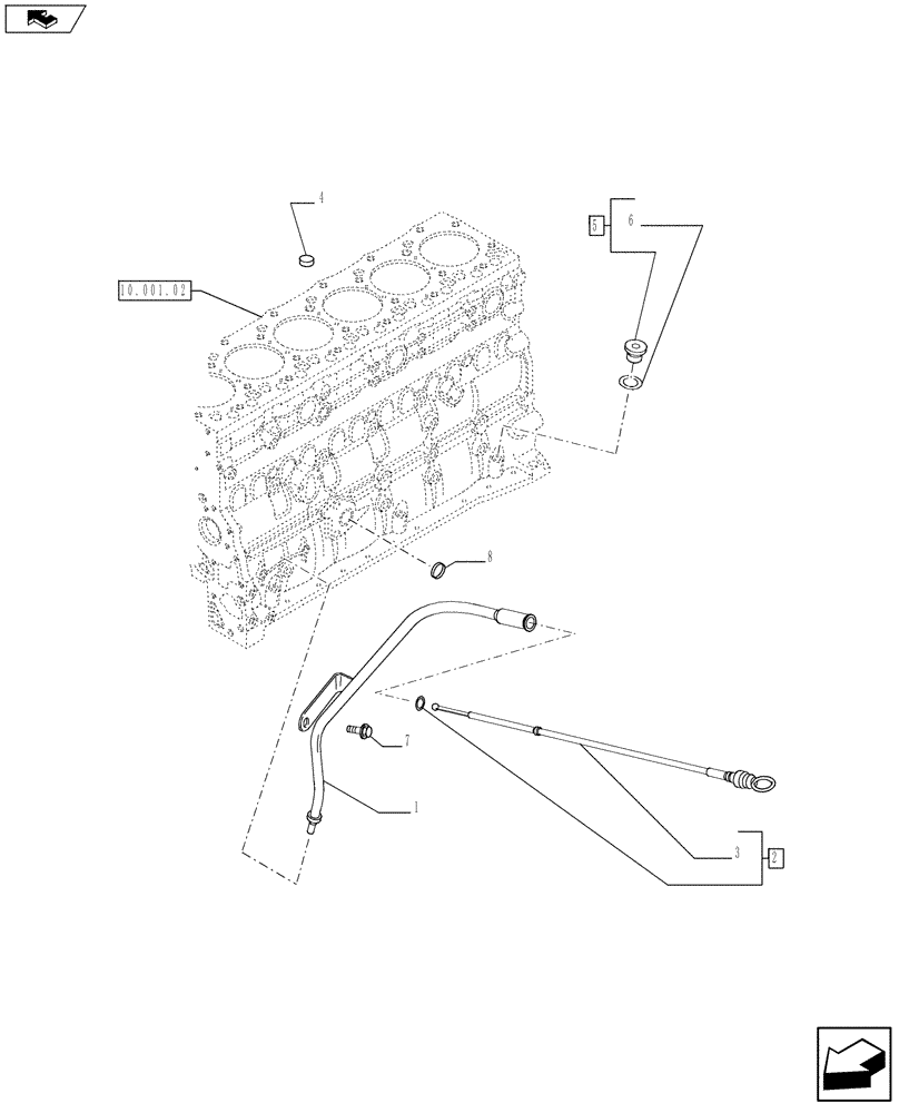
Запчасти Case IH F4HFE613U A006 (10.304.01[01]) - ENGINE OIL DIPSTICK (504088054 - 504183055) (10) - ENGINE

Схема запчастей Case IH F4HFE613U A006 - (10.304.01[01]) - ENGINE OIL DIPSTICK (504088054 - 504183055) (10) - ENGINE
10.001.02
2
4
3
6
home
8
5
1
7
FIT
1:1
100%

Артикул

Название

Примечание

Количество

1

2855434

TUBE

1шт.

2

2855437

DIPSTICK

ASSY

1шт.

3

4898502

O-RING,0.364" ID x 0.504" OD x 0.07"

1шт.

4

4895406

EXPANSION PLUG,9.8mm OD

3шт.

5

4897330

HEX SOCKET PLUG,M12 x 1.5

ASSY

1шт.

6

4895610

O-RING,2.2mm Thk x 9.3mm ID

1шт.

7

2855440

SCREW

M1 X 16

1шт.

8

4895037

EXPANSION PLUG,32.03mm

1шт.

Выбрано товаров: 0