Запчасти Case IH F4HFE613V A003 (10.106.01) - CAMSHAFT - TIMING CONTROL (504345141) (10) - ENGINE

Схема запчастей Case IH F4HFE613V A003 - (10.106.01) - CAMSHAFT - TIMING CONTROL (504345141) (10) - ENGINE
1
6
4
3
5
home
10.106.03
10.001.02
7
2
FIT
1:1
100%

Артикул

Название

Примечание

Количество

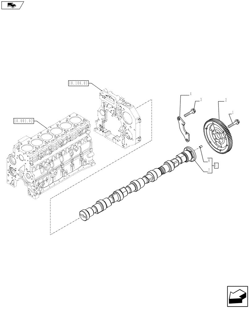
1

4899079

SCREW,Hex Flg, M8 x 1.25 x 25

6шт.

2

4896380

DRIVEN GEAR

1шт.

3

4899068

BOLT,Flng, M8 x 1.25 x 16mm

2шт.

4

4897457

SUPPORT

1шт.

5

84342155

CAMSHAFT

ASSY

1шт.

5

504345138R

REMAN-CAMSHAFT

F4HFE613V*A003 ENGINE 5801366314 - 84169139, ASSY, Reman for New PN 84342155

1шт.

5

504345138C

Return Number

1шт.

6

4899080

DOWEL,M6 x 8 L

1шт.

7

NSS

NOT SOLD SEPARAT

1шт.

Выбрано товаров: 9