Качественные детали и логистика
Оригинальные и аналоговые запчасти с доставкой по России, Казахстану и Беларуси
©2022 PartSell ООО "Система" ИНН 2463123282 ОГРН 1212400004838
Центральный офис: г. Красноярск, Академика Киренского, д.87, пом.4
Телефон: 8 (800) 777-65-74 Email: zakaz@partsell.ru
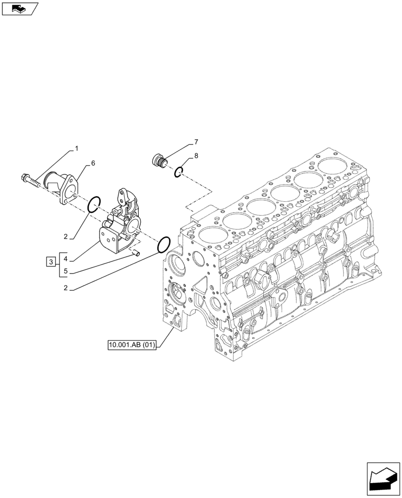
(10.400.AE) - WATER PUMP, INLET MANIFOLD
№
Артикул
Название
Примечание
Количество
1
2852325
SCREW
3шт.
2
2854072
SEALING RING,Square, 5.16mm Thk x 50.17mm ID
2шт.
3
2852392
SUPPORT
ASSY, Incl 4, 5
1шт.
4
2852393
HYD CONNECTOR
5
4895576
DOWEL
6
2852468
TUBE
7
2852496
PLUG,M18 x 1.5
8
4899824
SEALING WASHER,18.2mm ID x 21.9mm OD x 1.5mm Thk
Выбрано товаров: 0