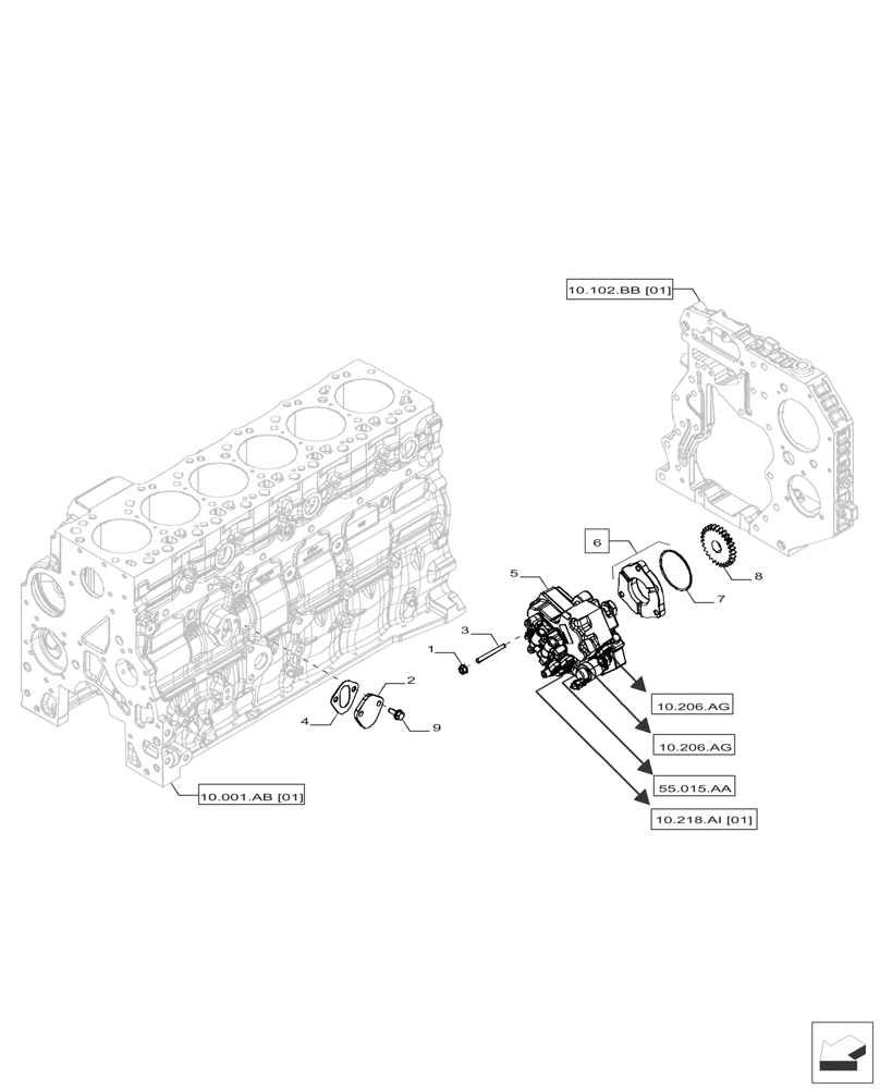
Запчасти Case IH F4HFP613A H001 (10.218.AR) - INJECTION PUMP DRIVE (10) - ENGINE

Схема запчастей Case IH F4HFP613A H001 - (10.218.AR) - INJECTION PUMP DRIVE (10) - ENGINE
10.218.ai (01)
2
6
3
5
9
7
1
8
10.206.ag
10.206.ag
10.001.ab (01)
4
10.102.bb (01)
55.015.aa
FIT
1:1
100%

Артикул

Название

Примечание

Количество

1

17044735

NUT,Hex, M8

3шт.

2

4896952

COVER

1шт.

3

16747224

STUD

3шт.

4

4890700

GASKET,1.21mm Thk

1шт.

5

5801633945

FUEL PUMP

1шт.

6

504041278

HUB

1шт.

7

17285381

O-RING

1шт.

8

4893389

DRIVEN GEAR,27T

1шт.

9

16673635

BOLT,Hex, M8 x 1.25 x 20mm, Full Thd

2шт.

Выбрано товаров: 9