Качественные детали и логистика
Оригинальные и аналоговые запчасти с доставкой по России, Казахстану и Беларуси
©2022 PartSell ООО "Система" ИНН 2463123282 ОГРН 1212400004838
Центральный офис: г. Красноярск, Академика Киренского, д.87, пом.4
Телефон: 8 (800) 777-65-74 Email: zakaz@partsell.ru
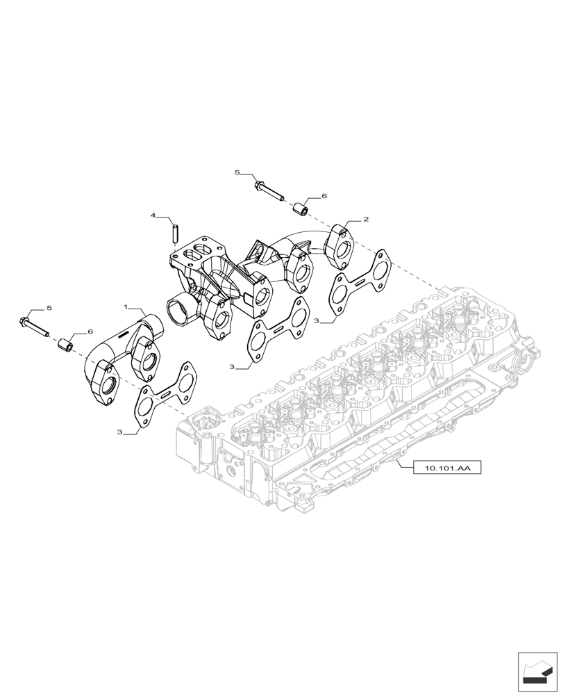
(10.254.AC) - EXHAUST MANIFOLD
№
Артикул
Название
Примечание
Количество
1
5801504745
EXHAUST MANIFOLD
1шт.
2
47589669
3
504081249
GASKET
6шт.
4
4899085
STUD,M10 x 1.5 x 42mm
4шт.
5
504085705
SCREW
12шт.
6
2854819
SPACER
Выбрано товаров: 0