Качественные детали и логистика
Оригинальные и аналоговые запчасти с доставкой по России, Казахстану и Беларуси
©2022 PartSell ООО "Система" ИНН 2463123282 ОГРН 1212400004838
Центральный офис: г. Красноярск, Академика Киренского, д.87, пом.4
Телефон: 8 (800) 777-65-74 Email: zakaz@partsell.ru
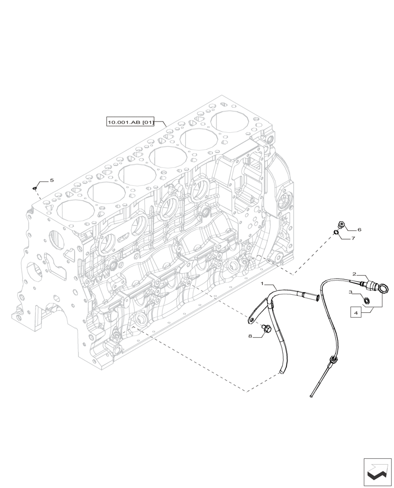
(10.304.AS[02]) - DIPSTICK
№
Артикул
Название
Примечание
Количество
1
2855434
TUBE
1шт.
2
2855437
DIPSTICK
3
17277981
O-RING,0.07" Thk x 0.364" ID, -12, Cl 7, 75 Duro
4
2855433
5
4895406
EXPANSION PLUG,9.8mm OD
3шт.
6
4897330
HEX SOCKET PLUG,M12 x 1.5
7
4895610
O-RING,2.2mm Thk x 9.3mm ID
8
16597425
BOLT,Hex, M10 x 16mm, Cl 8.8
Выбрано товаров: 0