Запчасти Case IH F4HFP613B H005 (10.400.AP) - RADIATOR HOSE (10) - ENGINE

Схема запчастей Case IH F4HFP613B H005 - (10.400.AP) - RADIATOR HOSE (10) - ENGINE
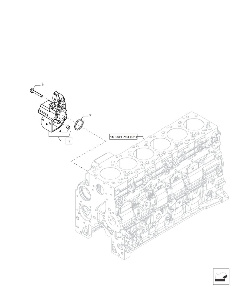
10.001.ab (01)
2
3
4
1
FIT
1:1
100%

Артикул

Название

Примечание

Количество

1

504074183

SUPPORT

1шт.

2

504062710

O-RING,Square, 5.16mm Thk x 50.17mm ID

1шт.

3

16599125

BOLT,Hex, M10 x 130mm, Cl 8.8

2шт.

3

16676834

FLANGE BOLT,Hex, M10 x 70mm

1шт.

4

98405182

DOWEL

2шт.

Выбрано товаров: 5