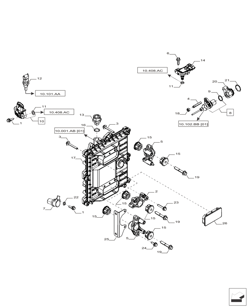
Запчасти Case IH F4HFP613B H005 (55.015.AA) - ELECTRONIC CONTROL UNIT (55) - ELECTRICAL SYSTEMS

Схема запчастей Case IH F4HFP613B H005 - (55.015.AA) - ELECTRONIC CONTROL UNIT (55) - ELECTRICAL SYSTEMS
10.102.bb (01)
19
19
7
5
4
26
8
22
15
2
12
10
15
15
9
15
19
13
24
6
11
11
14
25
1
3
15
16
23
17
18
5
21
1
10.101.aa
10.001.ab (01)
3
15
20
10.408.ac
10.408.ac
FIT
1:1
100%

Артикул

Название

Примечание

Количество

1

4899110

SCREW,Hex Flg, M6 x 1 x 20

3шт.

2

504297839

BRACKET

1шт.

3

17935001

SELF-TAP SCREW,Hex Flng, M5.5 x 1.8 x 45mm

4шт.

4

504388426

STUD

1шт.

5

47581881

SUPPORT

2шт.

6

4895817

BOLT,Flng, M6 x 1 x 20mm, Cl 10.9

1шт.

7

4890189

SENSOR

1шт.

8

4890190

SENSOR

1шт.

9

17278481

O-RING,0.07" Thk x 0.676" ID, 17, Cl 7, 75 Duro

1шт.

10

504358206

SWITCH,Pressure

1шт.

11

4895477

O-RING,2.62mm Thk x 13.94mm ID

1шт.

12

4897224

SENSOR

1шт.

13

47581921

FITTING

2шт.

14

504372225

SENSOR,Temperature / Pressure

1шт.

15

98498817

ISOLATOR

6шт.

16

16508260

GASKET,16mm ID x 22mm OD x 1.5mm

2шт.

17

504388754

CONTROL UNIT

1шт.

18

17037821

NUT

1шт.

19

4899078

SCREW,Hex Flg, M8 x 1.25 x 45

3шт.

20

84370070

HOUSING

1шт.

21

17278781

O-RING

1шт.

22

4899124

WASHER

1шт.

23

16586025

SCREW,Hex, M6 x 30mm

2шт.

24

18137825

BOLT,Hex, M6 x 16mm

2шт.

25

47581883

BRACKET

1шт.

26

NS

NOT SERVICED

1шт.

Выбрано товаров: 26