Качественные детали и логистика
Оригинальные и аналоговые запчасти с доставкой по России, Казахстану и Беларуси
©2022 PartSell ООО "Система" ИНН 2463123282 ОГРН 1212400004838
Центральный офис: г. Красноярск, Академика Киренского, д.87, пом.4
Телефон: 8 (800) 777-65-74 Email: zakaz@partsell.ru
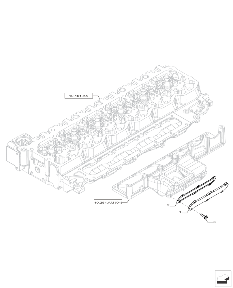
(55.202.AE) - BLOCK HEATER
№
Артикул
Название
Примечание
Количество
1
504114351
COVER
1шт.
2
504114491
GASKET
3
16585870
SCREW,Hex, M6 x 20mm
6шт.
Выбрано товаров: 0