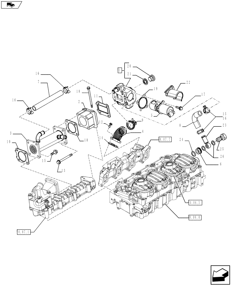
Запчасти Case IH F5AE5484B A001 (0.32.6[02]) - HEAT EXCHANGER - ENGINE - EGR GROUP (10) - ENGINE

Схема запчастей Case IH F5AE5484B A001 - (0.32.6[02]) - HEAT EXCHANGER - ENGINE - EGR GROUP (10) - ENGINE
3
23
18
16
16
25
0.06.3
26
8
24
9
13
22
14
12
10
15
20
2
21
17
11
6
7
19
16
home
0.07.7
0.07.1
0.06.0
4
1
15
5
10
FIT
1:1
100%

Артикул

Название

Примечание

Количество

1

504384872

BRACKET

1шт.

2

504249191

BRACKET

1шт.

3

504384904

HEAT EXCHANGER

1шт.

4

504220149

JUNCTION

1шт.

5

8097663

BY-PASS VALVE

1шт.

6

504385279

FITTING

1шт.

7

504357767

SLEEVE

1шт.

8

504384870

SLEEVE

1шт.

9

504196032

MOUNTING CLIP

1шт.

10

504221516

GASKET

2шт.

11

504221515

GASKET

1шт.

12

4798845

BOLT,M8 x 1.25 x 16.50mm

2шт.

13

2852267

FLANGE BOLT,Hex, M8 x 1.25 x 90mm

M8X90 mm

4шт.

14

504341194

GASKET

1шт.

15

16673735

BOLT,Hex, M8 x 1.25 x 25mm

M8X25 mm

4шт.

16

4893234

HOSE CLAMP

4шт.

17

504367631

BOLT,Flng, M6 x 18mm

M6X18 mm

3шт.

18

16598524

SCREW,M8 x 120mm

M8X120 mm

2шт.

19

504225741

GASKET

1шт.

20

10278301

PLUG,M28 x 1.5 x 11, Brass

M28 x 1.5

1шт.

21

99432291

GASKET,28mm ID

D=28 mm

1шт.

22

504363071

SCRAPER BLADE

1шт.

23

504384871

FITTING

1шт.

24

99469380

GASKET,33mm ID x 45mm OD x 2.8mm Thk

1шт.

25

16511614

HYD CONNECTOR

1шт.

26

99469378

WASHER, SEALING

SEAL WASHER

2шт.

Выбрано товаров: 26