Качественные детали и логистика
Оригинальные и аналоговые запчасти с доставкой по России, Казахстану и Беларуси
©2022 PartSell ООО "Система" ИНН 2463123282 ОГРН 1212400004838
Центральный офис: г. Красноярск, Академика Киренского, д.87, пом.4
Телефон: 8 (800) 777-65-74 Email: zakaz@partsell.ru
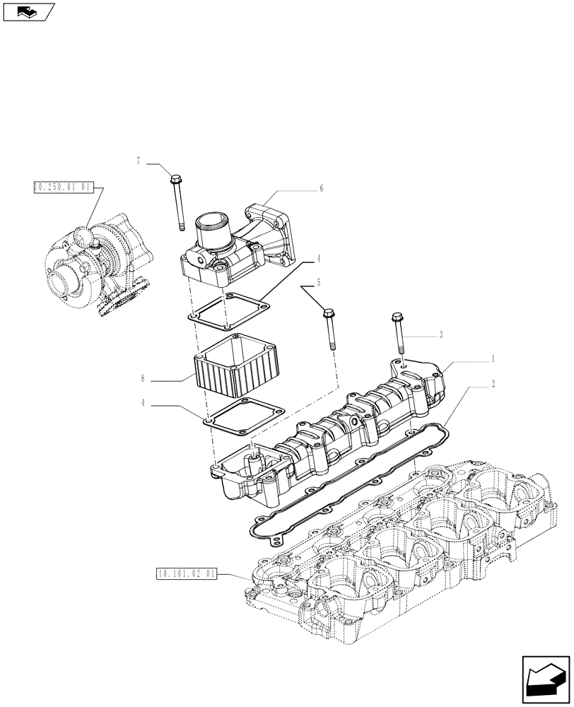
(10.254.04) - INTAKE MANIFOLD
№
Артикул
Название
Примечание
Количество
1
504283145
INLET MANIFOLD
1шт.
2
504171144
GASKET
3
16592325
BOLT,M8 x 60mm
M8 x 60
7шт.
4
4899921
GASKET,1.2mm Thk
2шт.
5
504315406
BOLT,Hex, M8 x 1.25 x 55mm
6
504384853
AIR DUCT
7
2852267
FLANGE BOLT,Hex, M8 x 1.25 x 90mm
M8 x 70
4шт.
8
4895648
SPACER
Выбрано товаров: 0