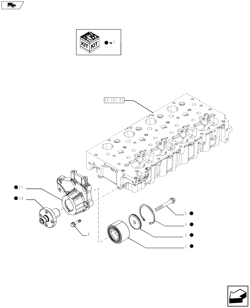
Запчасти Case IH F5AE5484B A002 (10.414.01) - BELT PULLEY DRIVE & COVER (10) - ENGINE

Схема запчастей Case IH F5AE5484B A002 - (10.414.01) - BELT PULLEY DRIVE & COVER (10) - ENGINE
1
1
home
1b
1
10.101.01
4
1
1
5
1
1a
1
6
3
1
2
FIT
1:1
100%

Артикул

Название

Примечание

Количество

1

504255372

SUPPORT

ASSY Contains Ref.1A, 1B, 2, 3, 4, 5

1шт.

1a

NSS

NOT SOLD SEPARAT

1шт.

1b

NSS

NOT SOLD SEPARAT

1шт.

2

4892732

BALL BEARING,34mm ID x 64mm OD x 37mm W

1шт.

3

4890732

RETAINER,11.50mm ID x 52mm OD x 7mm

1шт.

4

32324

SNAP RING,2.44", Int, #244

1шт.

5

2852172

BOLT,Flng, M10 x 1.5 x 70mm

M10 x 70

1шт.

6

16673835

BOLT,Hex, M8 x 30mm

5шт.

Выбрано товаров: 8