Запчасти Case IH F5AE5484C A001 (0.07.1) - INTAKE MANIFOLD (10) - ENGINE

Схема запчастей Case IH F5AE5484C A001 - (0.07.1) - INTAKE MANIFOLD (10) - ENGINE
5
3
4
8
6
4
2
home
0.24.0
0.06.6
3.2
1
7
FIT
1:1
100%

Артикул

Название

Примечание

Количество

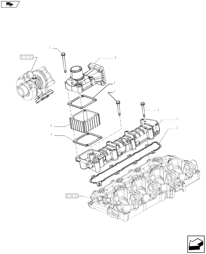
1

504283145

INLET MANIFOLD

1шт.

2

504171144

GASKET

1шт.

3

16592325

BOLT,M8 x 60mm

M8 x 60

7шт.

4

4899921

GASKET,1.2mm Thk

2шт.

5

504315406

BOLT,Hex, M8 x 1.25 x 55mm

1шт.

6

504384853

AIR DUCT

1шт.

7

2852267

FLANGE BOLT,Hex, M8 x 1.25 x 90mm

M8 x 70

4шт.

8

4895648

SPACER

1шт.

Выбрано товаров: 0