Качественные детали и логистика
Оригинальные и аналоговые запчасти с доставкой по России, Казахстану и Беларуси
©2022 PartSell ООО "Система" ИНН 2463123282 ОГРН 1212400004838
Центральный офис: г. Красноярск, Академика Киренского, д.87, пом.4
Телефон: 8 (800) 777-65-74 Email: zakaz@partsell.ru
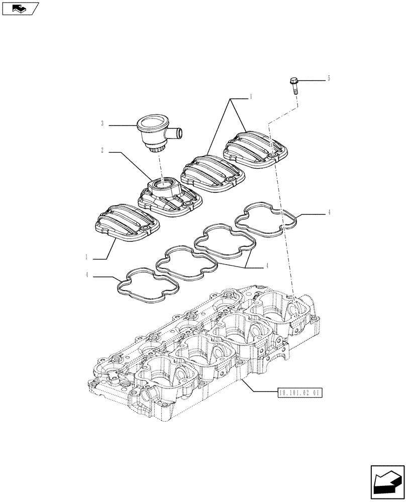
(10.101.02 02) - CYLINDER HEAD COVERS
№
Артикул
Название
Примечание
Количество
1
504221916
VALVE COVER
3шт.
2
504349057
1шт.
3
504372247
BREATHER
M8 x 35
4
504173590
GASKET
4шт.
5
16586625
BOLT,M8 x 35mm
8шт.
Выбрано товаров: 0