Запчасти Case IH F5AE5484C A002 (10.402.01) - TEMPERATURE CONTROL (THERMOSTAT) (10) - ENGINE

Схема запчастей Case IH F5AE5484C A002 - (10.402.01) - TEMPERATURE CONTROL (THERMOSTAT) (10) - ENGINE
home
1a
8
2
4
6
10.101.01
7
5
3
1
FIT
1:1
100%

Артикул

Название

Примечание

Количество

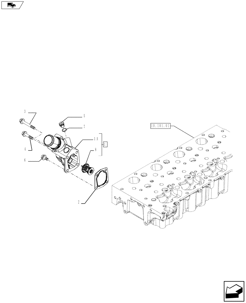
1

504221036

THERMOSTAT

ASSY Contains Ref.1A, 8

1шт.

1a

NSS

NOT SOLD SEPARAT

1шт.

2

5801374205

GASKET

1шт.

3

16592625

SCREW,M8 x 80mm

M8 x 80

2шт.

4

16586725

BOLT,Hex, M8 x 1.25 x 40mm

M8 x 1.25 x 40

1шт.

5

10300611

PLUG,M14 x 1.5 x 14, Cl5.8

1шт.

6

16673635

BOLT,Hex, M8 x 1.25 x 20mm, Full Thd

1шт.

7

4858608

SEAL,14mm ID x 19.50mm OD x 1.50mm Thk

D = 14 x 20 x 1.5 mm

1шт.

8

NSS

NOT SOLD SEPARAT

1шт.

Выбрано товаров: 0