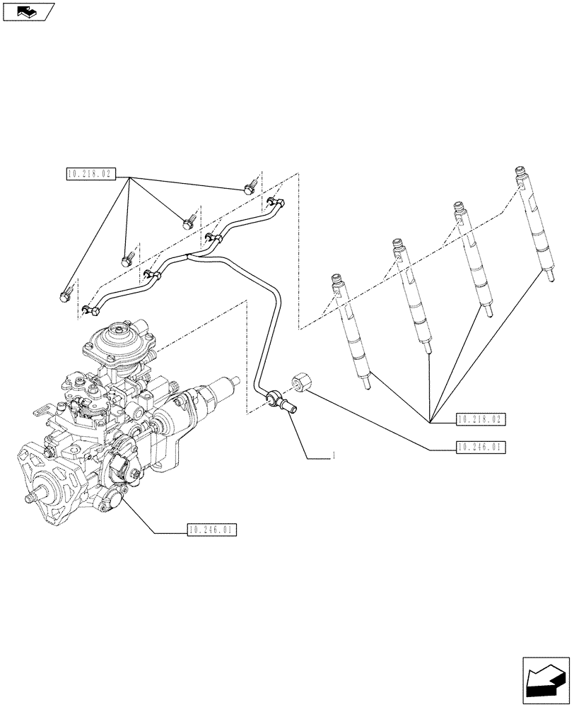
Запчасти Case IH F5AE9454K A002 (10.218.04) - INJECTION PIPE (10) - ENGINE

Схема запчастей Case IH F5AE9454K A002 - (10.218.04) - INJECTION PIPE (10) - ENGINE
1
home
10.246.01
10.246.01
10.218.02
10.218.02
FIT
1:1
100%

Артикул

Название

Примечание

Количество

1

504372185

FUEL TUBE

1шт.

Выбрано товаров: 1