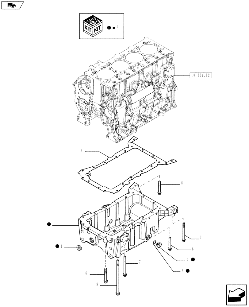
Запчасти Case IH F5AE9484G A010 (10.102.01) - OIL SUMP & RELATED PARTS (504379028) (10) - ENGINE

Схема запчастей Case IH F5AE9484G A010 - (10.102.01) - OIL SUMP & RELATED PARTS (504379028) (10) - ENGINE
2
8
7
1
home
6
6
10.001.02
3
1
4
9
5
7
1
1
1
1
FIT
1:1
100%

Артикул

Название

Примечание

Количество

1

ASSY, Contains Ref. 2-4

1шт.

2

5135740

O-RING,0.924" ID x 1.13" OD x 0.103"

2шт.

3

4894139

PLUG,Hex Soc, M22 x 1.5

2шт.

4

16995111

PLUG,M35 x 1.5

M35 x 1,5

1шт.

5

504164360

GASKET

1шт.

6

16676534

BOLT,M10 x 55mm

M10 x 55

8шт.

7

16677234

M10 x 110

4шт.

8

16676934

SCREW,M10 x 1.5 x 80mm

M10 x 1,5 x 80

2шт.

9

16599434

BOLT,Hex, M10 x 180mm, Cl 10.9

M10 x 180

2шт.

9

16599134

6шт.

Выбрано товаров: 10