Качественные детали и логистика
Оригинальные и аналоговые запчасти с доставкой по России, Казахстану и Беларуси
©2022 PartSell ООО "Система" ИНН 2463123282 ОГРН 1212400004838
Центральный офис: г. Красноярск, Академика Киренского, д.87, пом.4
Телефон: 8 (800) 777-65-74 Email: zakaz@partsell.ru
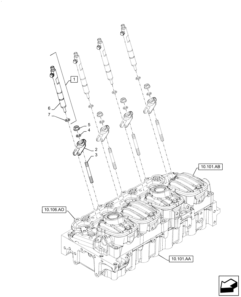
(10.218.AF) - INJECTOR
№
Артикул
Название
Примечание
Количество
1
504385978
FUEL SYSTEM INJECTOR
Incl 6, 7
4шт.
504385978R
REMAN-INJECT NOZZLE
504385978C
CORE-NOZZLE, INJECT
Return Number
2
504385832
BRACKET
3
504315404
STUD,M8 x 16 x 60mm
4
500353601
WASHER
5
17044735
NUT,Hex, M8
6
8097807
NOZZLE
7
4899689
SEALING WASHER,7mm ID x 15mm OD x 1.5mm Thk
Выбрано товаров: 0