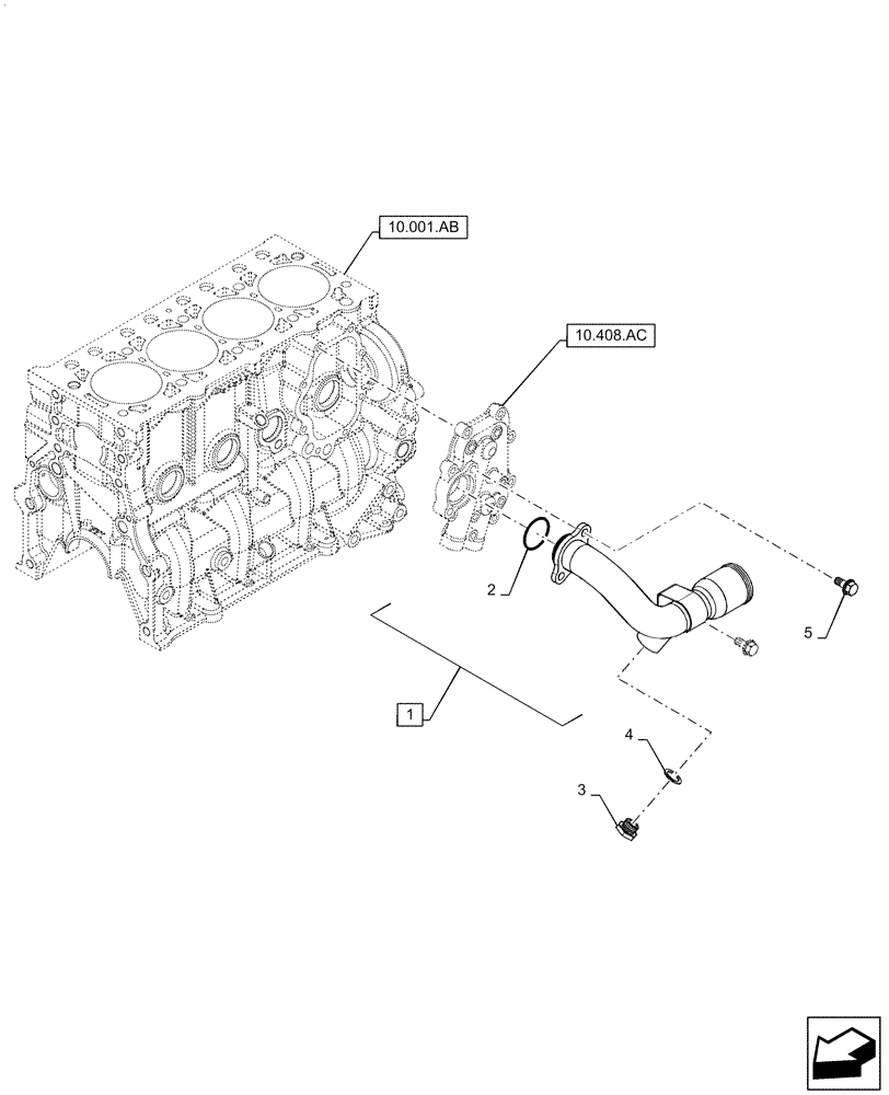
Запчасти Case IH F5CE5454B A005 (10.400.AE) - COOLING SYSTEM LINE (10) - ENGINE

Схема запчастей Case IH F5CE5454B A005 - (10.400.AE) - COOLING SYSTEM LINE (10) - ENGINE
10.001.ab
5
10.408.ac
3
2
4
1
FIT
1:1
100%

Артикул

Название

Примечание

Количество

1

504182961

PIPE

Water, Incl 2

1шт.

2

17289081

O-RING,31.34mm ID x 3.53mm

1шт.

3

10300714

PLUG,M16 x 1.5 x 14

1шт.

4

4858609

WASHER,Brass

1шт.

5

2854311

SCREW,Hex, Flg Hd, M8 x 1.25 x 18mm

3шт.

Выбрано товаров: 5