Запчасти Case IH F5CE5454B A005 (10.400.BB) - WATER PUMP (10) - ENGINE

Схема запчастей Case IH F5CE5454B A005 - (10.400.BB) - WATER PUMP (10) - ENGINE
home
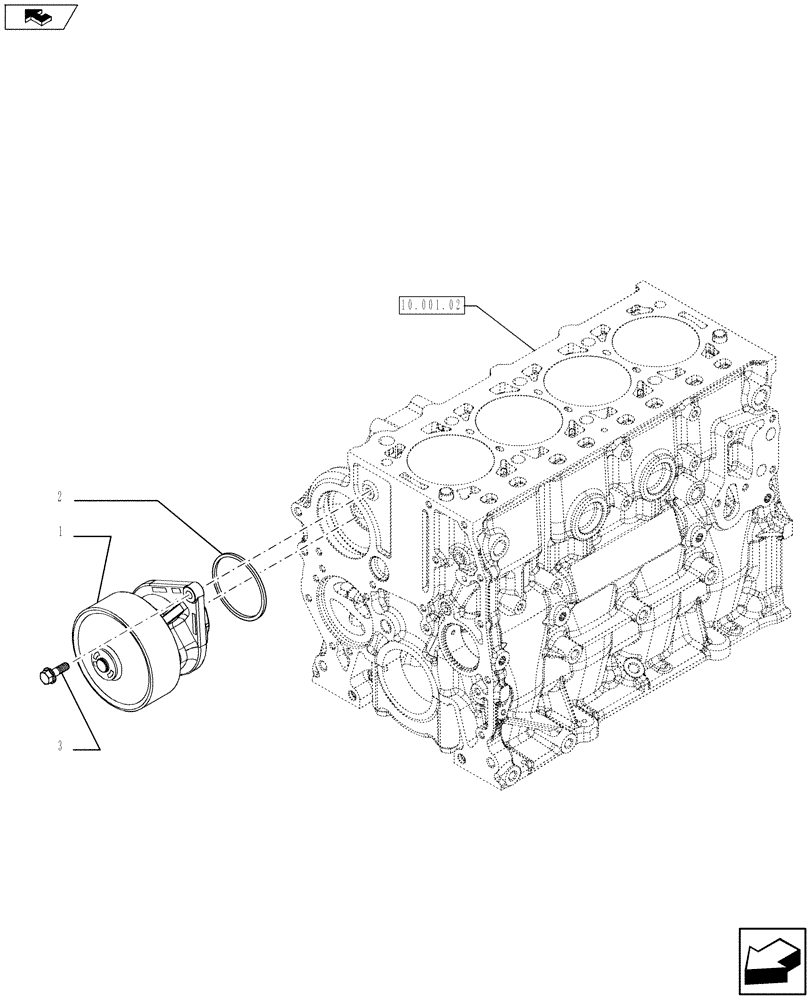
1
10.001.02
3
2
FIT
1:1
100%

Артикул

Название

Примечание

Количество

1

504216828

WATER PUMP

1шт.

1

504216828R

REMAN-WATER PUMP

1шт.

1

504216828C

CORE-WATER PUMP

Return Number

1шт.

2

2852047

SEALING RING,Square, 5.16mm Thk x 88.27mm ID

1шт.

3

16586424

SCREW,M8 x 25mm

2шт.

Выбрано товаров: 5