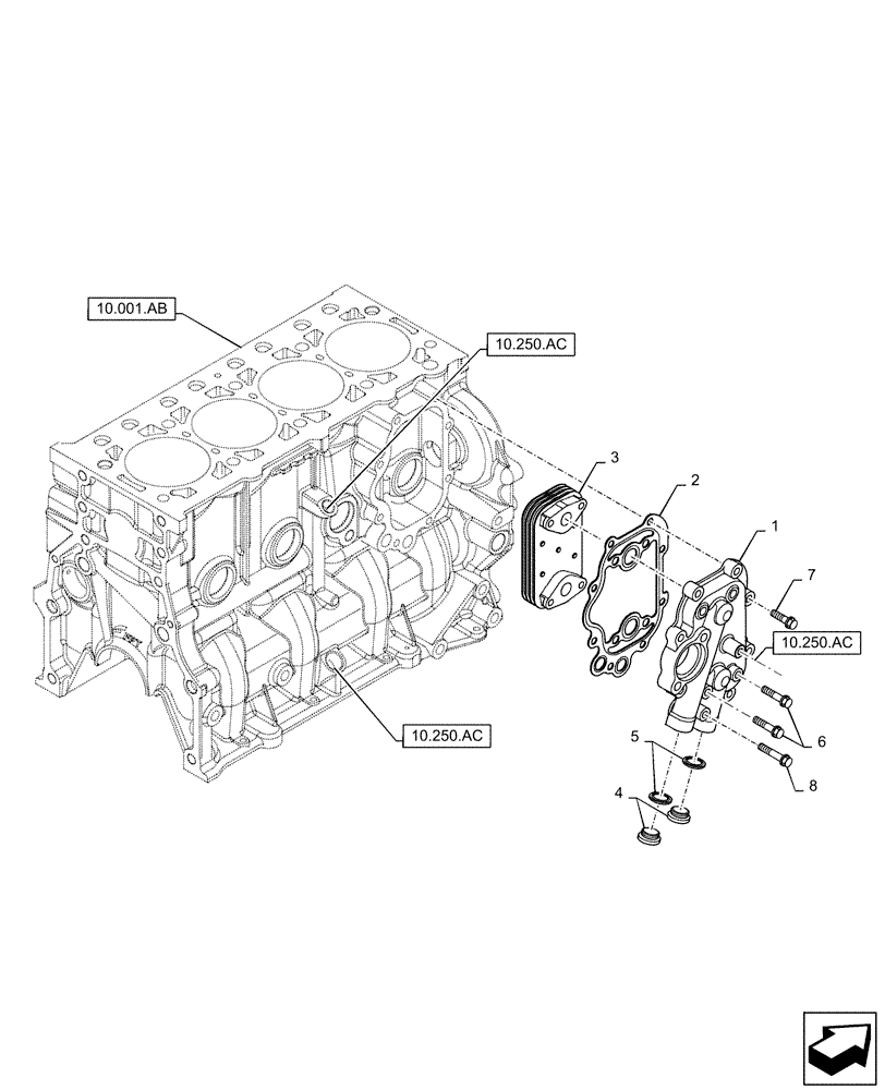
Запчасти Case IH F5CE5454B A005 (10.408.AC) - HEAT EXCHANGER (10) - ENGINE

Схема запчастей Case IH F5CE5454B A005 - (10.408.AC) - HEAT EXCHANGER (10) - ENGINE
6
4
8
3
10.001.ab
10.250.ac
7
10.250.ac
2
10.250.ac
1
5
FIT
1:1
100%

Артикул

Название

Примечание

Количество

1

504155542

BODY

Heat Exchanger

1шт.

2

504155544

GASKET

1шт.

3

504164307

OIL COOLER

1шт.

4

10275011

PLUG,M22 x 1.5 x 13

2шт.

5

87332142

SEAL,23.5mm ID x 30mm OD x 1.5mm Thk

2шт.

6

16586725

BOLT,Hex, M8 x 1.25 x 40mm

2шт.

7

16673835

BOLT,Hex, M8 x 30mm

9шт.

8

16586925

BOLT,M8 x 50mm

1шт.

Выбрано товаров: 8