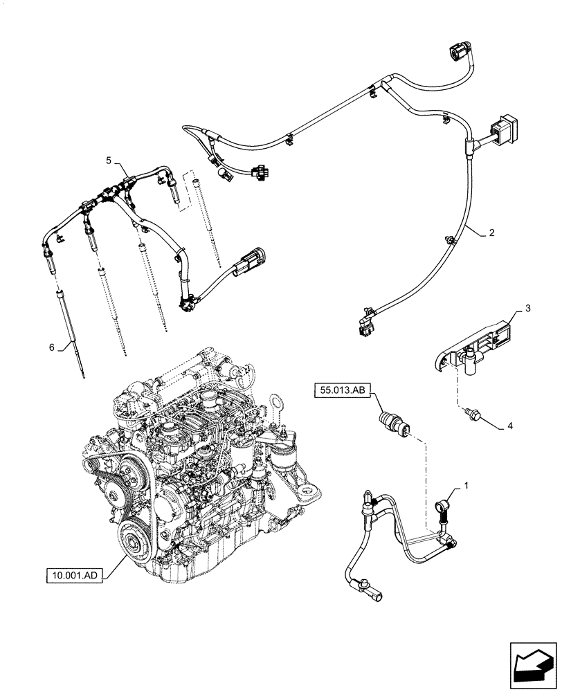
Запчасти Case IH F5CE5454B A005 (55.202.AD) - GLOW PLUG, CONNECTIONS CABLE FOR ENGINE INJECTION (55) - ELECTRICAL SYSTEMS

Схема запчастей Case IH F5CE5454B A005 - (55.202.AD) - GLOW PLUG, CONNECTIONS CABLE FOR ENGINE INJECTION (55) - ELECTRICAL SYSTEMS
10.001.ad
55.013.ab
4
2
3
1
6
5
FIT
1:1
100%

Артикул

Название

Примечание

Количество

1

504264648

WIRE HARNESS

KSB

1шт.

2

5801366188

HARNESS

Engine

1шт.

3

504284210

WIRE CLAMP

1шт.

4

2852323

SCREW,M8 x 1.25 x 14mm

2шт.

5

504385864

HARNESS

Glow Plug

1шт.

6

504385468

GLOW PLUG

4шт.

Выбрано товаров: 6