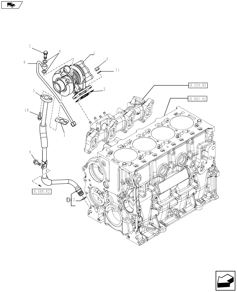
Запчасти Case IH F5CE5454C A003 (10.250.02) - TURBOCHARGING (504183274) (10) - ENGINE

Схема запчастей Case IH F5CE5454C A003 - (10.250.02) - TURBOCHARGING (504183274) (10) - ENGINE
5
9
3
12
5
2
home
10.001.02
1
10
6
10.254.05
10.408.02
7
8
11
4
FIT
1:1
100%

Артикул

Название

Примечание

Количество

1

504242763

TURBOCHARGER

1шт.

504242763R

REMAN-TURBOCHARGER

TV380, TR320, SR250, SV300, C238, L230 all (4/11-)

1шт.

504242763C

CORE-TURBOCHARGER

Return Number

1шт.

2

4899343

GASKET,0.45mm Thk

1шт.

3

500370706

GASKET

1шт.

4

500322677

NUT,M8

FLANGE NUT

4шт.

5

504164226

PIPE

1шт.

6

504164224

PIPE

1шт.

7

4864080

BANJO BOLT,M10 x 1.25

M10X1,25

1шт.

8

17750480

SEAL,12.2mm ID x 17.8mm OD x 1.5mm Thk

2шт.

9

16586225

BOLT,M8 x 16mm

1шт.

10

18137825

BOLT,Hex, M6 x 16mm

M6 x 20

2шт.

11

13550304

WASHER,8mm ID x 18mm OD x 2mm Thk

8,4X16 mm

4шт.

12

14457181

O-RING,0.103" Thk x 0.549" ID, -113, Cl 5, 75 Duro

1шт.

Выбрано товаров: 14