Запчасти Case IH F5CE5454C A003 (10.304.03) - OIL PUMP PIPING (504154691) (10) - ENGINE

Схема запчастей Case IH F5CE5454C A003 - (10.304.03) - OIL PUMP PIPING (504154691) (10) - ENGINE
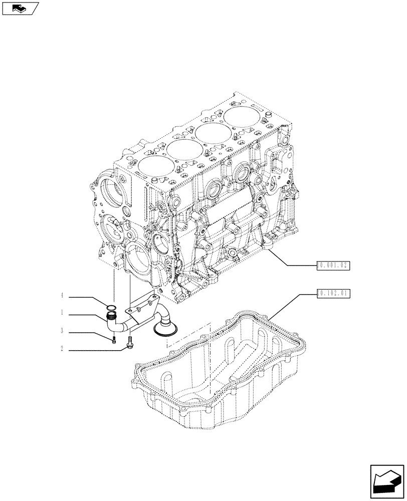
3
1
2
10.001.02
10.102.01
4
home
FIT
1:1
100%

Артикул

Название

Примечание

Количество

1

504179050

FILTER STRAINER

1шт.

2

18139424

SCREW,Hex, M10 x 20mm

2шт.

3

16689024

SCREW,M16 x 12mm

1шт.

4

2852978

O-RING,0.103" Thk x 0.924" ID, -119, Cl 7, 75 Duro

D. 23,4 mm SP=2,6 mm

1шт.

Выбрано товаров: 4