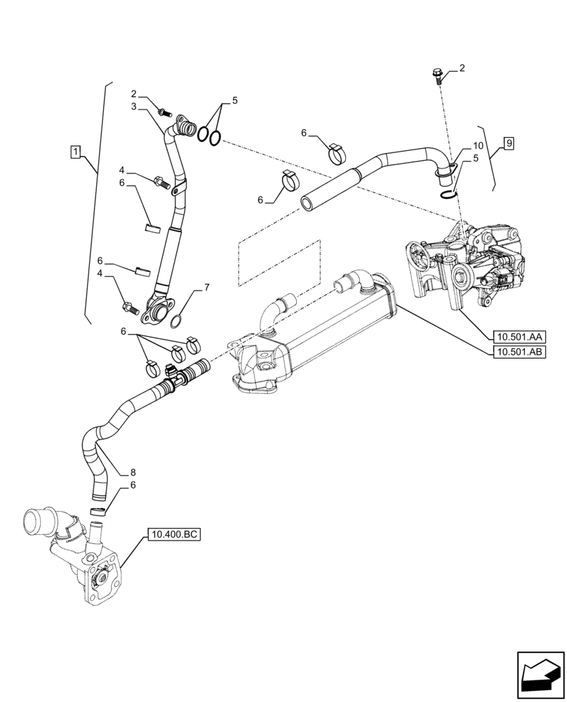
Запчасти Case IH F5DFL413A A001 (10.501.AC) - EXHAUST SYSTEM, EGR, PIPE (10) - ENGINE

Схема запчастей Case IH F5DFL413A A001 - (10.501.AC) - EXHAUST SYSTEM, EGR, PIPE (10) - ENGINE
6
10
6
10.400.bc
4
6
6
3
10.501.aa
9
6
8
5
4
10.501.ab
5
7
6
2
2
1
FIT
1:1
100%

Артикул

Название

Примечание

Количество

1

5801385612

TUBE

ASSY, Incl 2 - 7

1шт.

2

18137825

BOLT,Hex, M6 x 16mm

2шт.

3

NSS

NOT SOLD SEPARAT

Pipe, Incl in 1

1шт.

4

4798845

BOLT,M8 x 1.25 x 16.50mm

3шт.

5

17281881

O-RING,0.674" ID x 0.88" OD x 0.103"

3шт.

6

18186570

COLLAR CLAMP

8шт.

7

17289181

O-RING

1шт.

8

5801530821

TUBE

1шт.

9

5801596396

PIPE

ASSY, Incl 6, 10

1шт.

10

NSS

NOT SOLD SEPARAT

Pipe, Incl in 9

1шт.

Выбрано товаров: 0