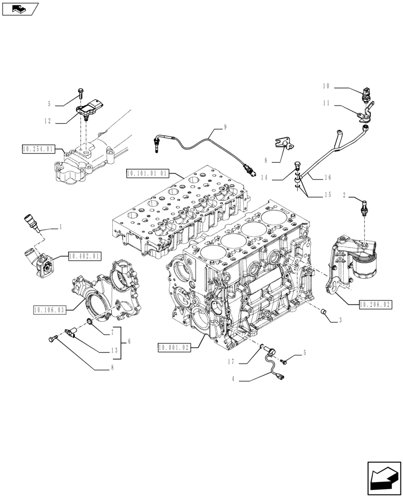
Запчасти Case IH F5DFL413A A001 (55.414.01) - DIAGNOSTIC SENSOR (504388686) (55) - ELECTRICAL SYSTEMS

Схема запчастей Case IH F5DFL413A A001 - (55.414.01) - DIAGNOSTIC SENSOR (504388686) (55) - ELECTRICAL SYSTEMS
7
8
10.254.01
9
10.101.01 01
1
8
6
12
4
15
16
2
home
5
13
10.106.03
10.001.02
10.206.02
5
10.402.01
3
17
14
11
10
FIT
1:1
100%

Артикул

Название

Примечание

Количество

1

82017881

SENSOR

Temp Coolant Sensor

1шт.

2

2852889

PRESSURE SWITCH

1шт.

3

7177194

PLUG

1шт.

4

4897242

SENSOR

Speed Sensor

1шт.

5

504065023

SCREW,M6 x 16mm, Cl 8.8

3шт.

6

504048261

SENSOR

1шт.

7

42546366

O-RING

1шт.

8

504387528

RETAINER

1шт.

8

18137825

BOLT,Hex, M6 x 16mm

1шт.

9

504381064

SENSOR

1шт.

10

5801382522

SENSOR

1шт.

11

5801382524

RETAINER

1шт.

12

504369148

SENSOR

1шт.

13

NSS

NOT SOLD SEPARAT

1шт.

14

16511214

HYD CONNECTOR,M12 x 1.5 x 30mm

1шт.

15

5801495064

SEAL

2шт.

16

504387525

TUBE

1шт.

17

2852820

O-RING,0.07" Thk x 0.676" ID, 17, Cl 7, 75 Duro

1шт.

Выбрано товаров: 18