Качественные детали и логистика
Оригинальные и аналоговые запчасти с доставкой по России, Казахстану и Беларуси
©2022 PartSell ООО "Система" ИНН 2463123282 ОГРН 1212400004838
Центральный офис: г. Красноярск, Академика Киренского, д.87, пом.4
Телефон: 8 (800) 777-65-74 Email: zakaz@partsell.ru
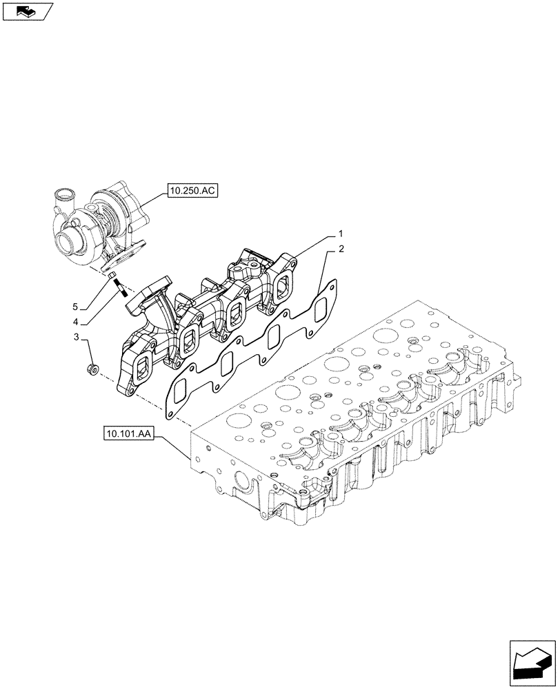
(10.254.AC) - EXHAUST MANIFOLD
№
Артикул
Название
Примечание
Количество
1
504388669
EXHAUST MANIFOLD
1шт.
2
504170332
MANIFOLD GASKET
3
504294819
NUT
8шт.
4
16729434
STUD,M8 x 25mm
2шт.
5
500322677
NUT,M8
M8
Выбрано товаров: 0