Качественные детали и логистика
Оригинальные и аналоговые запчасти с доставкой по России, Казахстану и Беларуси
©2022 PartSell ООО "Система" ИНН 2463123282 ОГРН 1212400004838
Центральный офис: г. Красноярск, Академика Киренского, д.87, пом.4
Телефон: 8 (800) 777-65-74 Email: zakaz@partsell.ru
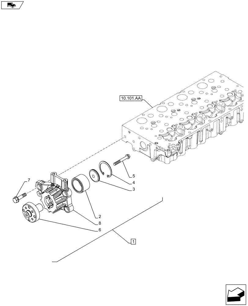
(10.414.AC) - FAN, SUPPORT
№
Артикул
Название
Примечание
Количество
1
5801699183
SUPPORT
ASSY, Incl 2-8
1шт.
2
4892732
BALL BEARING,34mm ID x 64mm OD x 37mm W
34 x 64 x 37 mm
3
4890732
RETAINER,11.50mm ID x 52mm OD x 7mm
4
32324
SNAP RING,2.44", Int, #244
M68.2
5
2852172
BOLT,Flng, M10 x 1.5 x 70mm
Hex, M10 x 70
6
4892426
HUB
7
16673735
BOLT,Hex, M8 x 1.25 x 25mm
5шт.
8
NSS
NOT SOLD SEPARAT
Support, Incl in 1
Выбрано товаров: 0