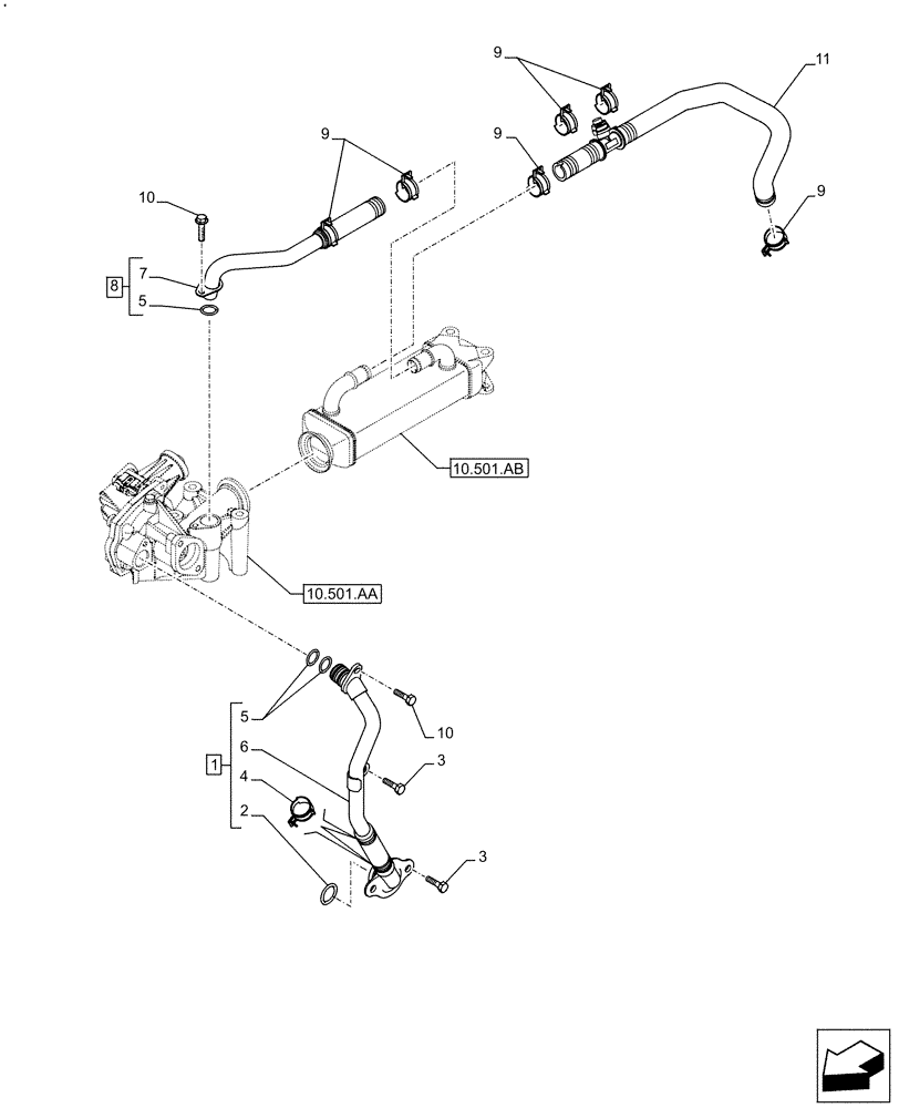
Запчасти Case IH F5DFL413H A017 (10.501.AC) - EXHAUST SYSTEM, EGR, PIPE (10) - ENGINE

Схема запчастей Case IH F5DFL413H A017 - (10.501.AC) - EXHAUST SYSTEM, EGR, PIPE (10) - ENGINE
10.501.ab
4
7
5
10
5
9
8
6
3
1
9
10
3
11
2
9
9
10.501.aa
FIT
1:1
100%

Артикул

Название

Примечание

Количество

1

5801385612

TUBE

ASSY; Incl 2 - 6

1шт.

2

17289181

O-RING

D=32,92 Sp=3,53 mm

1шт.

3

4798845

BOLT,M8 x 1.25 x 16.50mm

D=22 L=103 mm

3шт.

4

18186570

COLLAR CLAMP

2шт.

5

17281881

O-RING,0.674" ID x 0.88" OD x 0.103"

D=17,12 Sp=2,62 mm

1шт.

6

NSS

NOT SOLD SEPARAT

Pipe; Incl in 1

1шт.

7

NSS

NOT SOLD SEPARAT

Pipe; Incl in 8

1шт.

8

5801596396

PIPE

ASSY; Incl 5; 7

1шт.

9

18186570

COLLAR CLAMP

M6 x 16 mm

6шт.

10

18137825

BOLT,Hex, M6 x 16mm

2шт.

11

5801530821

TUBE

1шт.

Выбрано товаров: 11