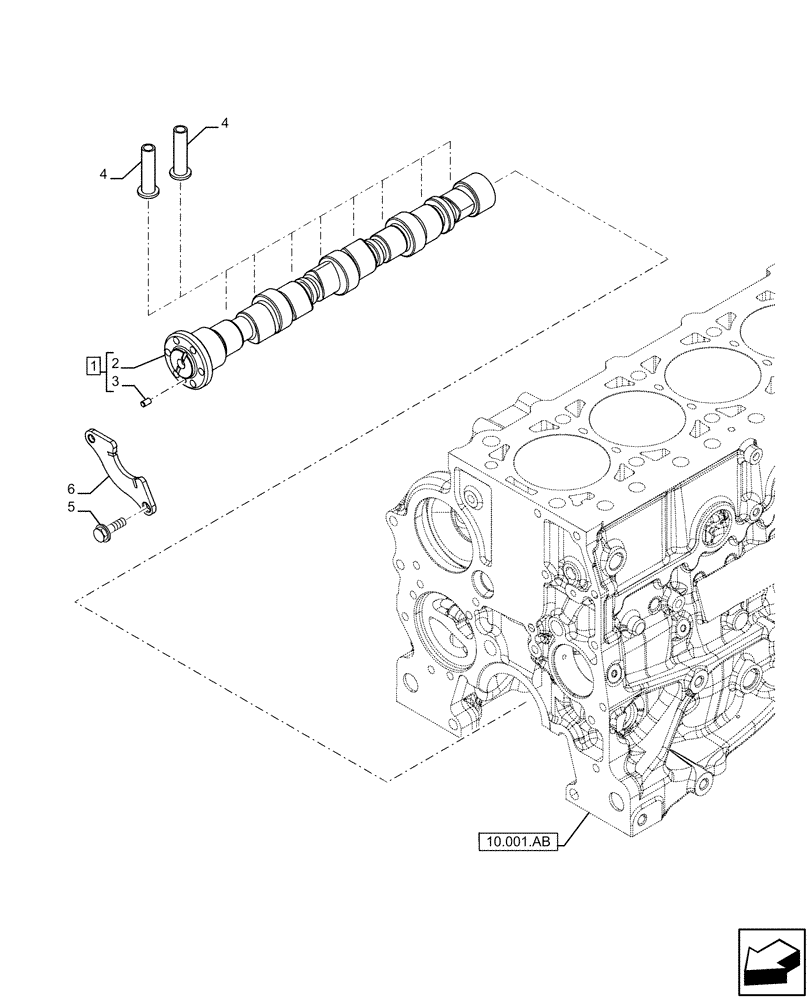
Запчасти Case IH F5DFL413J A011 (10.106.AA) - CAMSHAFT, CAMSHAFT, TIMING CONTROL (10) - ENGINE

Схема запчастей Case IH F5DFL413J A011 - (10.106.AA) - CAMSHAFT, CAMSHAFT, TIMING CONTROL (10) - ENGINE
10.001.ab
4
3
6
4
2
1
5
FIT
1:1
100%

Артикул

Название

Примечание

Количество

1

5801390145

CAMSHAFT

ASSY, Incl 2, 3

1шт.

2

NSS

NOT SOLD SEPARAT

Shaft, Incl in 1

1шт.

3

504345384

PIN

1шт.

4

5801693154

8шт.

5

16600224

SCREW,Hex, M8 x 1.25 x 18mm

2шт.

6

4897457

SUPPORT

M8 x 17mm

1шт.

Выбрано товаров: 6