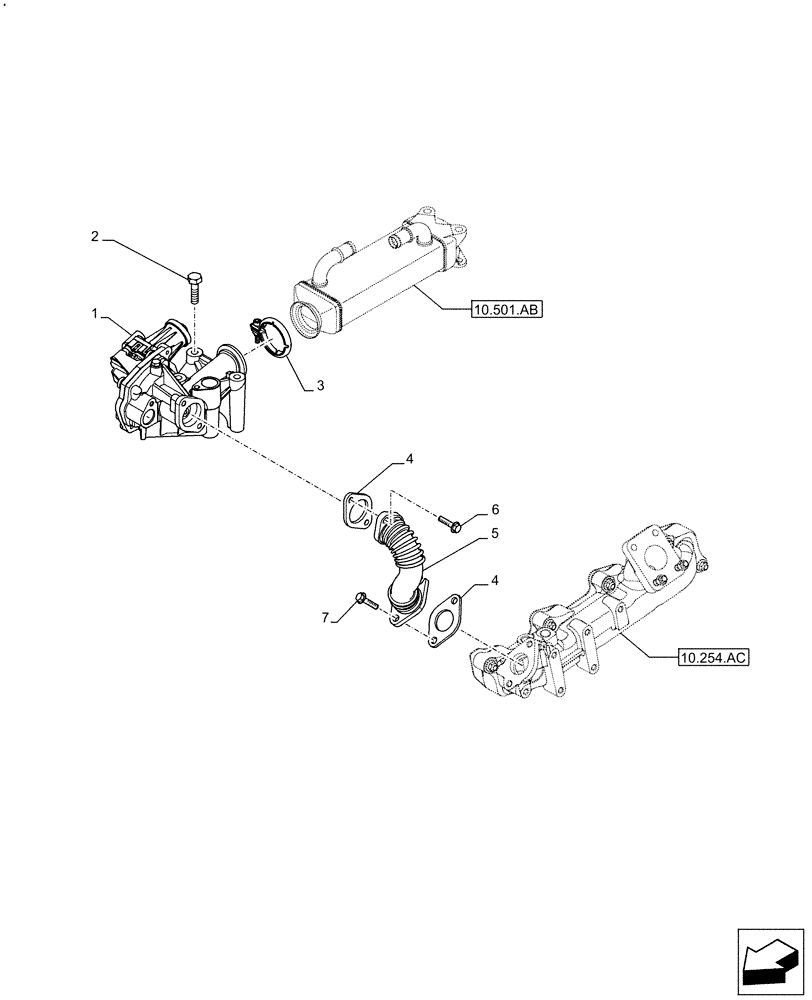
Запчасти Case IH F5DFL413J A011 (10.501.AA) - EXHAUST SYSTEM, EGR, CONTROL VALVE (10) - ENGINE

Схема запчастей Case IH F5DFL413J A011 - (10.501.AA) - EXHAUST SYSTEM, EGR, CONTROL VALVE (10) - ENGINE
1
4
7
4
3
2
5
6
10.254.ac
10.501.ab
FIT
1:1
100%

Артикул

Название

Примечание

Количество

1

5801608746

CONTROL VALVE

1шт.

2

16598325

BOLT,Hex, M8 x 100mm

3шт.

3

504385412

MOUNTING CLIP

1шт.

4

504341194

GASKET

2шт.

5

5801560222

JUNCTION

1шт.

6

5801602826

SCREW

2шт.

7

5801602848

SCREW

2шт.

Выбрано товаров: 0