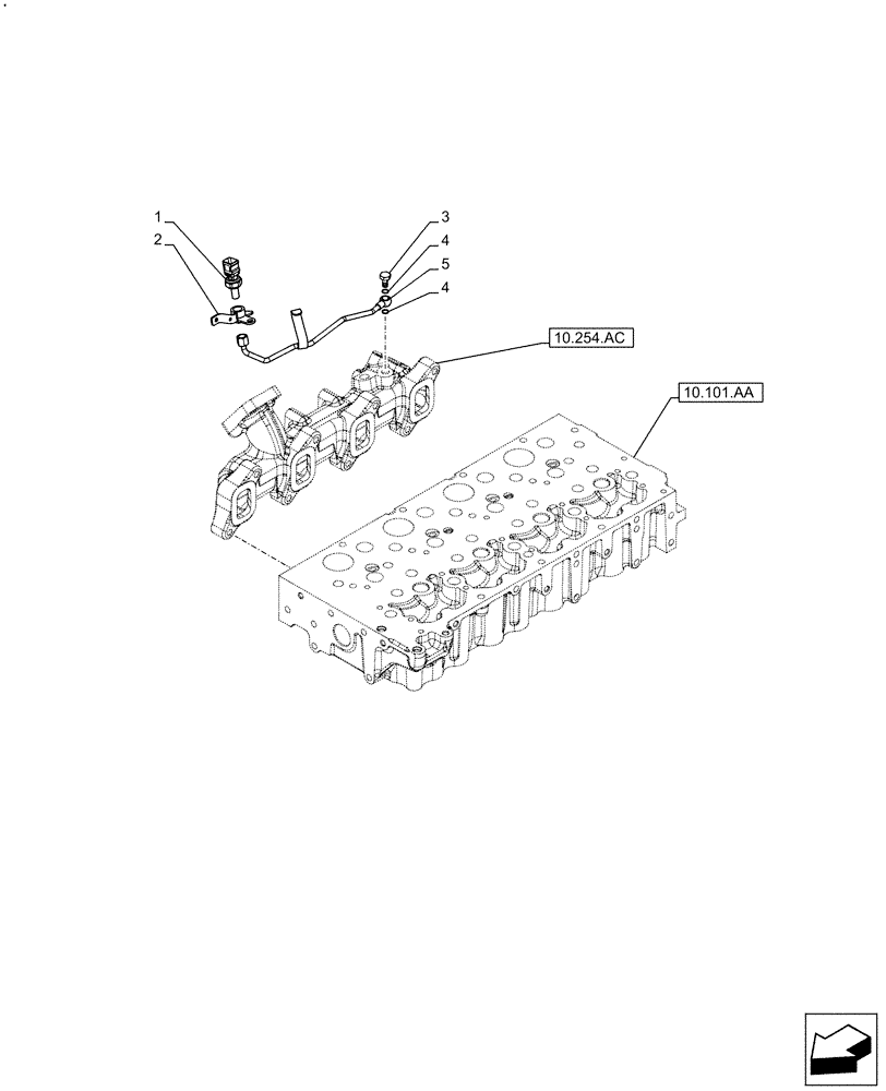
Запчасти Case IH F5DFL413J A011 (55.014.AN) - EXHAUST MANIFOLD, SENSOR (55) - ELECTRICAL SYSTEMS

Схема запчастей Case IH F5DFL413J A011 - (55.014.AN) - EXHAUST MANIFOLD, SENSOR (55) - ELECTRICAL SYSTEMS
10.101.aa
4
2
4
5
1
3
10.254.ac
FIT
1:1
100%

Артикул

Название

Примечание

Количество

1

5801382522

SENSOR

Exhaust Manifold Pressure

1шт.

2

5801382524

RETAINER

1шт.

3

16511214

HYD CONNECTOR,M12 x 1.5 x 30mm

1шт.

4

5801495064

SEAL

2шт.

5

504387525

TUBE

1шт.

Выбрано товаров: 0