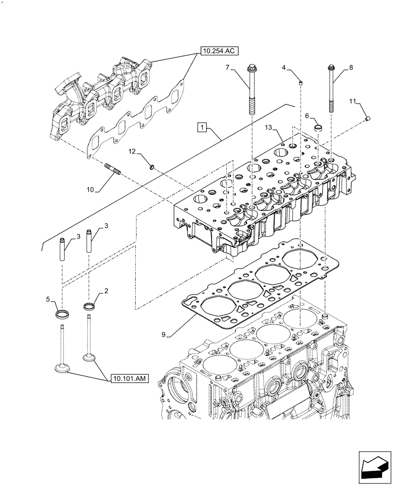
Запчасти Case IH F5DFL413K A010 (10.101.AA) - CYLINDER HEAD (10) - ENGINE

Схема запчастей Case IH F5DFL413K A010 - (10.101.AA) - CYLINDER HEAD (10) - ENGINE
5
3
3
10
11
9
4
7
8
6
13
12
2
1
10.254.ac
10.101.am
FIT
1:1
100%

Артикул

Название

Примечание

Количество

1

504389002

CYLINDER HEAD

ASSY, Incl 1 - 3, 5, 6, 13

1шт.

2

504162949

VALVE SEAT

4шт.

3

4749397

VALVE GUIDE,Std

8шт.

3

4749398

VALVE GUIDE,+0.10

8шт.

3

4749399

VALVE GUIDE,+0.2

8шт.

4

99435557

DOWEL,8.50mm Dia

1шт.

5

504254094

VALVE SEAT

4шт.

6

16988301

PLUG,Lock, 20mm Dia

20mm Dia

8шт.

7

504081521

BOLT,M15 x 1.5 x 193mm

6шт.

8

504081533

BOLT,M12 x 1.5 x 165mm

4шт.

9

5801450757

CYLINDER HEAD GASKET,0.80mm Thk

1шт.

10

5801475385

STUD,M8 x 1.25

8шт.

11

16990970

PLUG,Lock, 30mm Dia

1шт.

12

16990670

PLUG,Lock, 22mm Dia

4шт.

13

NSS

NOT SOLD SEPARAT

Cylinder Head, Incl in 1

1шт.

Выбрано товаров: 15