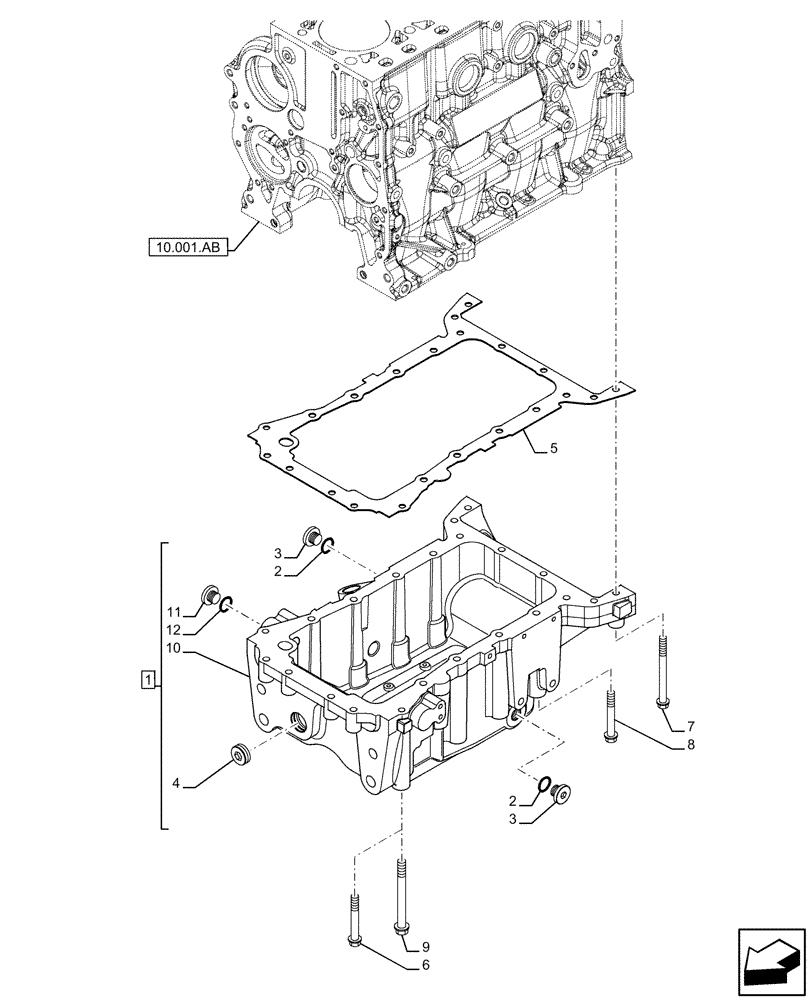
Запчасти Case IH F5DFL413K A010 (10.102.AP) - ENGINE OIL PAN (10) - ENGINE

Схема запчастей Case IH F5DFL413K A010 - (10.102.AP) - ENGINE OIL PAN (10) - ENGINE
12
3
6
11
2
1
3
10
8
2
5
9
7
4
10.001.ab
FIT
1:1
100%

Артикул

Название

Примечание

Количество

1

504248412

SUMP

ASSY, Incl 1 - 4, 10 - 12

1шт.

2

17282280

GASKET

2.62 x 23.47mm Dia

2шт.

3

4894139

PLUG,Hex Soc, M22 x 1.5

2шт.

4

16995111

PLUG,M35 x 1.5

M35 x 1.5

1шт.

5

504164360

GASKET

1шт.

6

16676534

BOLT,M10 x 55mm

M10 x 55 mm

10шт.

7

16677235

BOLT,M10 x 110mm

M10 x 110 mm

4шт.

8

16676934

SCREW,M10 x 1.5 x 80mm

4шт.

9

16599434

BOLT,Hex, M10 x 180mm, Cl 10.9

4шт.

10

NSS

NOT SOLD SEPARAT

Oil Pan, Incl in 1

1шт.

11

16992415

PLUG,M16 x 1.5

1шт.

12

99489019

SEALING WASHER

1шт.

Выбрано товаров: 12