Качественные детали и логистика
Оригинальные и аналоговые запчасти с доставкой по России, Казахстану и Беларуси
©2022 PartSell ООО "Система" ИНН 2463123282 ОГРН 1212400004838
Центральный офис: г. Красноярск, Академика Киренского, д.87, пом.4
Телефон: 8 (800) 777-65-74 Email: zakaz@partsell.ru
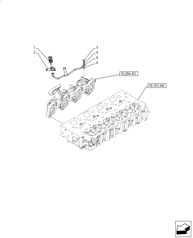
(55.014.AN) - EXHAUST MANIFOLD, SENSOR
№
Артикул
Название
Примечание
Количество
1
5801382522
SENSOR
Exhaust Manifold Pressure
1шт.
2
5801382524
RETAINER
3
16511214
HYD CONNECTOR,M12 x 1.5 x 30mm
4
5801495064
SEAL
2шт.
5
504387525
TUBE
Выбрано товаров: 0