Качественные детали и логистика
Оригинальные и аналоговые запчасти с доставкой по России, Казахстану и Беларуси
©2022 PartSell ООО "Система" ИНН 2463123282 ОГРН 1212400004838
Центральный офис: г. Красноярск, Академика Киренского, д.87, пом.4
Телефон: 8 (800) 777-65-74 Email: zakaz@partsell.ru
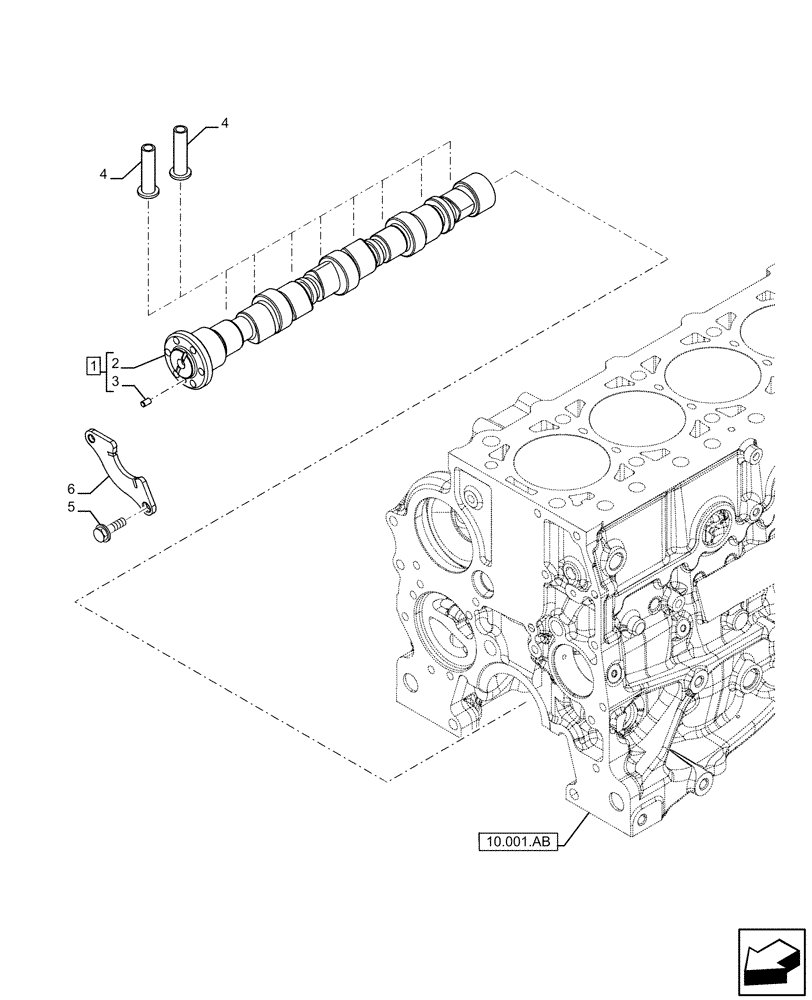
(10.106.AA) - CAMSHAFT, CAMSHAFT, TIMING CONTROL
№
Артикул
Название
Примечание
Количество
1
5801390145
CAMSHAFT
ASSY, Incl 2, 3
1шт.
2
NSS
NOT SOLD SEPARAT
Shaft, Incl in 1
3
504345384
PIN
4
5801693154
8шт.
5
16600224
SCREW,Hex, M8 x 1.25 x 18mm
2шт.
6
4897457
SUPPORT
M8 x 17mm
Выбрано товаров: 0