Запчасти Case IH F5DFL413L A007 (10.106.AP) - ROCKSHAFT (10) - ENGINE

Схема запчастей Case IH F5DFL413L A007 - (10.106.AP) - ROCKSHAFT (10) - ENGINE
10.101.aa
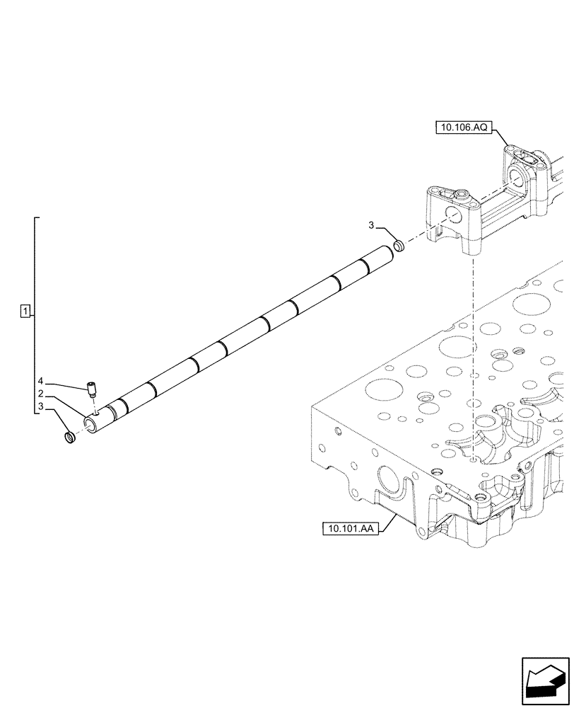
1
2
4
3
3
10.106.aq
FIT
1:1
100%

Артикул

Название

Примечание

Количество

1

5801364425

SHAFT

ASSY, Incl 2 - 4

1шт.

2

NSS

NOT SOLD SEPARAT

Rocker Shaft, Incl in 1

1шт.

3

16987801

PLUG,Lock, M12

2шт.

4

99454296

SCREW

1шт.

Выбрано товаров: 4