Запчасти Case IH F5DFL463A F022 (10.414.AC) - FAN (10) - ENGINE

Схема запчастей Case IH F5DFL463A F022 - (10.414.AC) - FAN (10) - ENGINE
10.101.aa
4
5
6
2
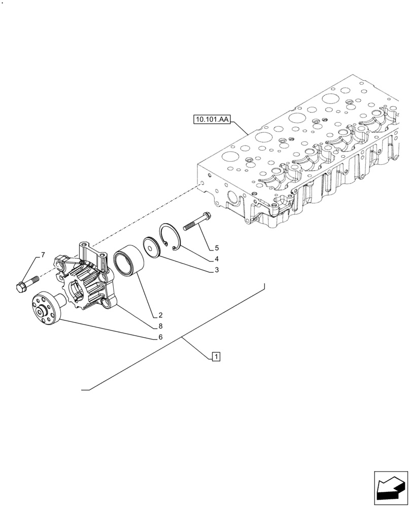
1
7
8
3
FIT
1:1
100%

Артикул

Название

Примечание

Количество

1

504255372

SUPPORT

ASSY; Incl 1 - 8

1шт.

2

4892732

BALL BEARING,34mm ID x 64mm OD x 37mm W

1шт.

3

4890732

RETAINER,11.50mm ID x 52mm OD x 7mm

1шт.

4

32324

SNAP RING,2.44", Int, #244

1шт.

5

2852172

BOLT,Flng, M10 x 1.5 x 70mm

M10 x 70 mm

1шт.

6

NSS

NOT SOLD SEPARAT

Hub; Incl in 1

1шт.

7

16673735

BOLT,Hex, M8 x 1.25 x 25mm

M8 x 1,25 x 25 mm

5шт.

8

NSS

NOT SOLD SEPARAT

Support; Incl in 1

1шт.

Выбрано товаров: 8