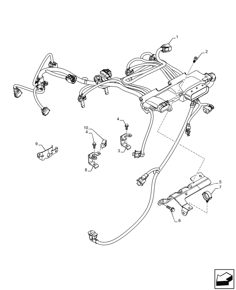
Запчасти Case IH F5DFL463A F022 (55.010.AA) - ENGINE, CABLE (55) - ELECTRICAL SYSTEMS

Схема запчастей Case IH F5DFL463A F022 - (55.010.AA) - ENGINE, CABLE (55) - ELECTRICAL SYSTEMS
1
3
4
10
4
2
9
7
8
5
6
FIT
1:1
100%

Артикул

Название

Примечание

Количество

1

5801972302

WIRE HARNESS

1шт.

2

16689124

SCREW,M6 x 16mm

1шт.

3

5801536153

HANGER

1шт.

4

16978124

BOLT,Hex, M6 x 14mm

2шт.

5

504388110

RETAINER

1шт.

6

16673635

BOLT,Hex, M8 x 1.25 x 20mm, Full Thd

3шт.

7

5801392545

CLAMP

1шт.

8

5801535458

HANGER

1шт.

9

5801599673

SUPPORT

1шт.

10

504065285

CLAMP

1шт.

Выбрано товаров: 10