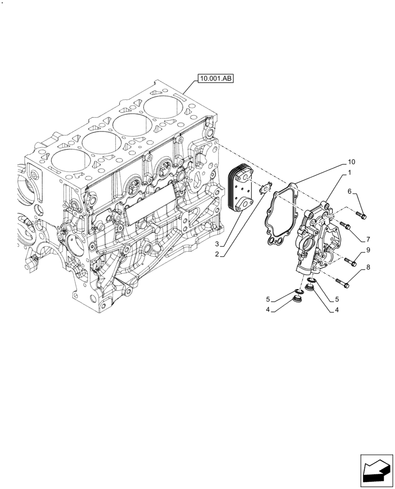
Запчасти Case IH F5DFL463B F007 (10.408.AC) - ENGINE, HEAT EXCHANGER (10) - ENGINE

Схема запчастей Case IH F5DFL463B F007 - (10.408.AC) - ENGINE, HEAT EXCHANGER (10) - ENGINE
1
4
6
10
5
3
10.001.ab
8
9
5
2
7
4
FIT
1:1
100%

Артикул

Название

Примечание

Количество

1

5801508971

HEAT EXCHANGER

1шт.

2

504077557

GASKET

2шт.

3

504078695

OIL COOLER

1шт.

4

10275011

PLUG,M22 x 1.5 x 13

M22 x 1,5

2шт.

5

87332142

SEAL,23.5mm ID x 30mm OD x 1.5mm Thk

D=22 mm

2шт.

6

16673635

BOLT,Hex, M8 x 1.25 x 20mm, Full Thd

M8 x 1,25 x 20 mm

2шт.

7

16673835

BOLT,Hex, M8 x 30mm

M8 x 30 mm

7шт.

8

16586925

BOLT,M8 x 50mm

M8 x 50 mm

1шт.

9

16586625

BOLT,M8 x 35mm

M8 x 35 mm

2шт.

10

504381582

GASKET

1шт.

Выбрано товаров: 10