Качественные детали и логистика
Оригинальные и аналоговые запчасти с доставкой по России, Казахстану и Беларуси
©2022 PartSell ООО "Система" ИНН 2463123282 ОГРН 1212400004838
Центральный офис: г. Красноярск, Академика Киренского, д.87, пом.4
Телефон: 8 (800) 777-65-74 Email: zakaz@partsell.ru
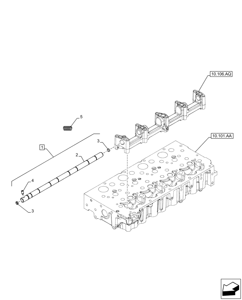
(10.106.AP) - ROCKSHAFT
№
Артикул
Название
Примечание
Количество
1
5801702180
ROCKSHAFT
1шт.
2
NSS
NOT SOLD SEPARAT
Rocker Shaft, Incl in 1
3
16987801
PLUG,Lock, M12
D=12 mm
2шт.
4
99454296
SCREW
5
5801702183
SPRING
4шт.
Выбрано товаров: 0