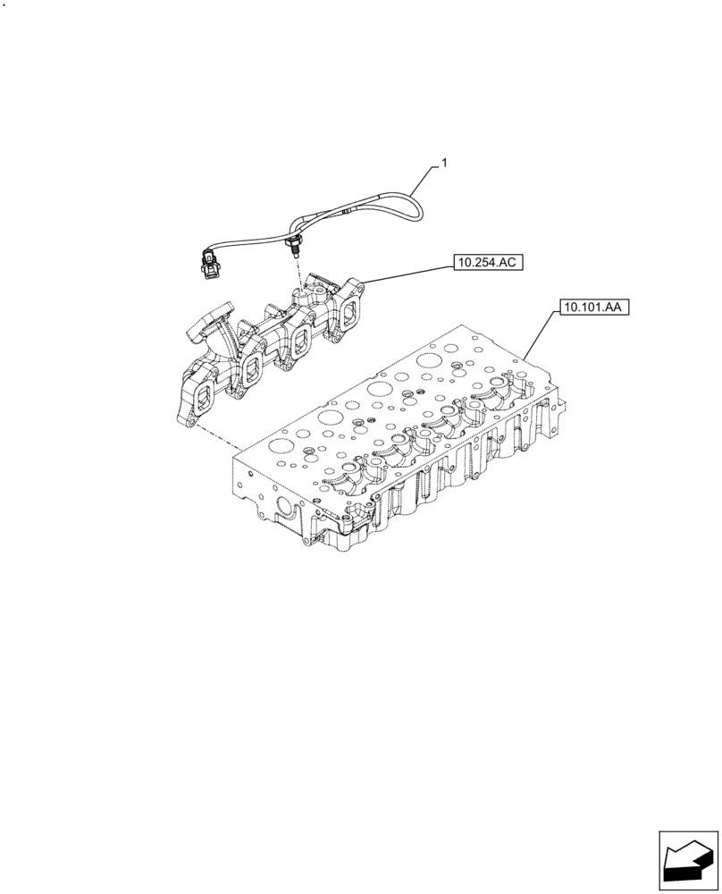
Запчасти Case IH F5GFL413A B006 (55.014.AM) - EXHAUST MANIFOLD, SENSOR (55) - ELECTRICAL SYSTEMS

Схема запчастей Case IH F5GFL413A B006 - (55.014.AM) - EXHAUST MANIFOLD, SENSOR (55) - ELECTRICAL SYSTEMS
10.101.aa
1
10.254.ac
FIT
1:1
100%

Артикул

Название

Примечание

Количество

1

504381064

SENSOR

Exhaust manifold temperature

1шт.

Выбрано товаров: 1