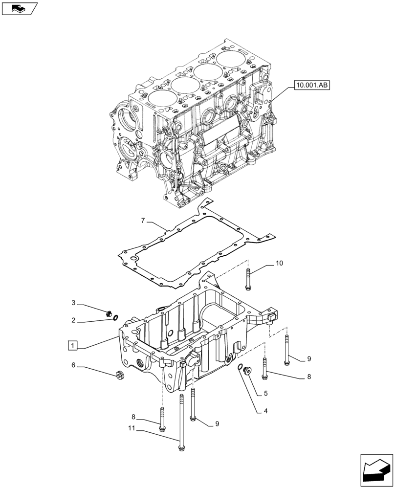
Запчасти Case IH F5GFL413A B007 (10.102.AP) - OIL SUMP & RELATED PARTS (10) - ENGINE

Схема запчастей Case IH F5GFL413A B007 - (10.102.AP) - OIL SUMP & RELATED PARTS (10) - ENGINE
10.001.ab
5
9
6
9
8
8
11
10
4
2
1
7
3
home
FIT
1:1
100%

Артикул

Название

Примечание

Количество

1

5801763150

SUMP

ASSY, Incl 2 - 6

1шт.

2

17282280

GASKET

Oil Sump

2шт.

3

4894139

PLUG,Hex Soc, M22 x 1.5

Oil Sump

2шт.

4

17282280

GASKET

Oil Sump

1шт.

5

4894139

PLUG,Hex Soc, M22 x 1.5

Oil Sump

1шт.

6

16995111

PLUG,M35 x 1.5

Oil Sump, M35 x 1.5mm

1шт.

7

504164360

GASKET

Oil Sump

1шт.

8

16676534

BOLT,M10 x 55mm

M10 x 55mm

3шт.

9

16677235

BOLT,M10 x 110mm

M10 x 110mm

4шт.

10

16677235

BOLT,M10 x 110mm

1шт.

11

16599434

BOLT,Hex, M10 x 180mm, Cl 10.9

1шт.

Выбрано товаров: 0