Запчасти Case IH F5GFL413A B007 (10.106.AP) - ROCKSHAFT (10) - ENGINE

Схема запчастей Case IH F5GFL413A B007 - (10.106.AP) - ROCKSHAFT (10) - ENGINE
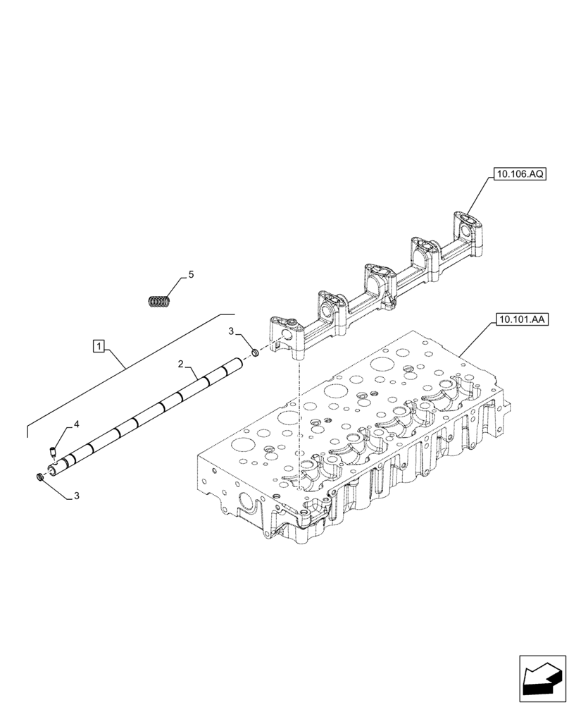
1
2
3
10.106.aq
4
3
10.101.aa
5
FIT
1:1
100%

Артикул

Название

Примечание

Количество

1

5801702180

ROCKSHAFT

1шт.

2

NSS

NOT SOLD SEPARAT

Rocker Shaft, Incl in 1

1шт.

3

16987801

PLUG,Lock, M12

D=12 mm

2шт.

4

99454296

SCREW

1шт.

5

5801702183

SPRING

4шт.

Выбрано товаров: 5