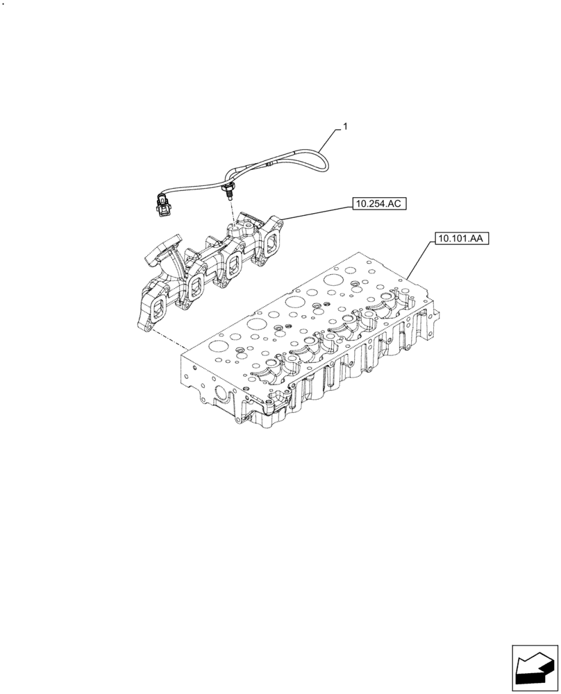
Запчасти Case IH F5GFL413A B007 (55.014.AM) - EXHAUST MANIFOLD, SENSOR (55) - ELECTRICAL SYSTEMS

Схема запчастей Case IH F5GFL413A B007 - (55.014.AM) - EXHAUST MANIFOLD, SENSOR (55) - ELECTRICAL SYSTEMS
10.101.aa
10.254.ac
1
FIT
1:1
100%

Артикул

Название

Примечание

Количество

1

504381064

SENSOR

This T3 temperature sensor is used UP TO engine serial number #307272; FROM engine serial number #307273, the engine doesn't use anymore T3 temperature sensor, but there is supplied the new engine harness FPT p.n. 5802010714.

1шт.

Выбрано товаров: 1