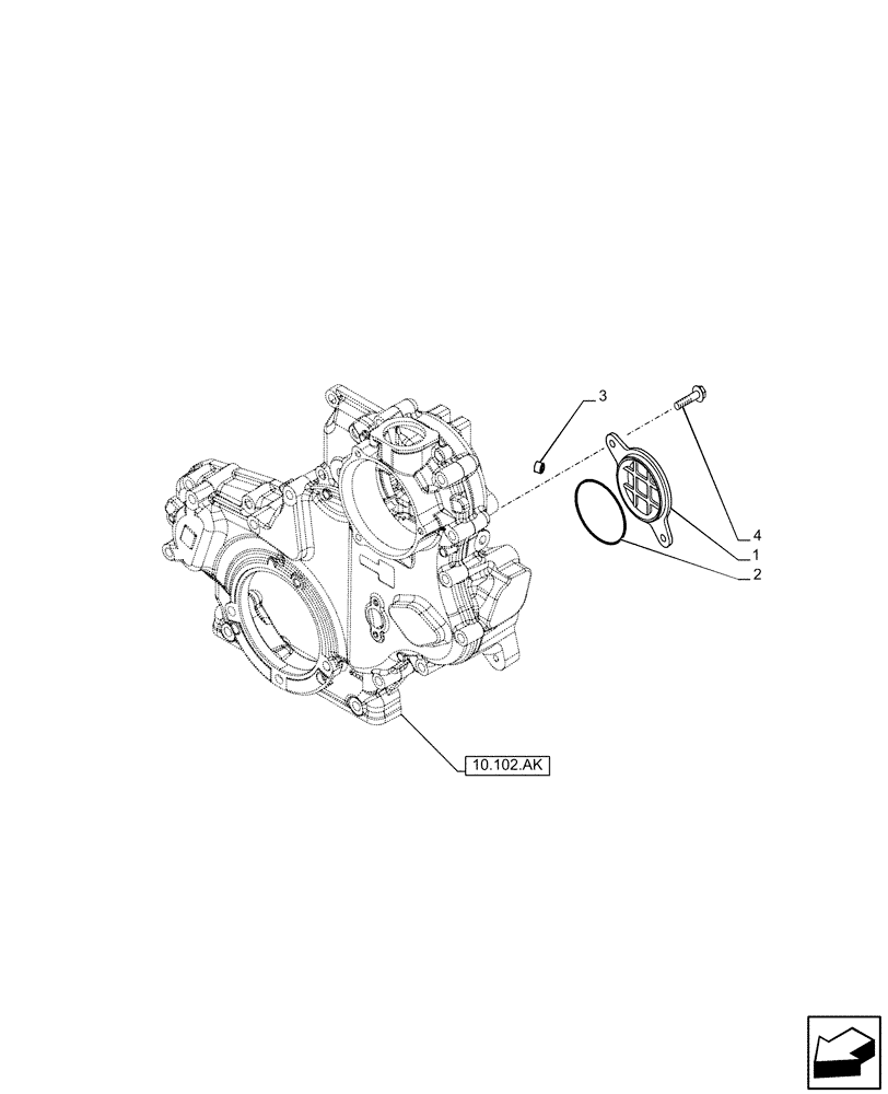
Запчасти Case IH F5GFL413A B019 (10.102.AQ) - INJECTION PUMP DRIVE, COVER (10) - ENGINE

Схема запчастей Case IH F5GFL413A B019 - (10.102.AQ) - INJECTION PUMP DRIVE, COVER (10) - ENGINE
10.102.ak
3
2
4
1
FIT
1:1
100%

Артикул

Название

Примечание

Количество

1

580136572

Injection Pump Cover

1шт.

2

17290781

O-RING,78.97mm ID x 3.53mm

1шт.

3

504051236

PLUG,Threaded, 1/8"

Injection Pump Cover

1шт.

4

16673635

BOLT,Hex, M8 x 1.25 x 20mm, Full Thd

3шт.

Выбрано товаров: 4