Запчасти Case IH F5GFL413A B021 (55.014.AN) - EXHAUST MANIFOLD, SENSOR (55) - ELECTRICAL SYSTEMS

Схема запчастей Case IH F5GFL413A B021 - (55.014.AN) - EXHAUST MANIFOLD, SENSOR (55) - ELECTRICAL SYSTEMS
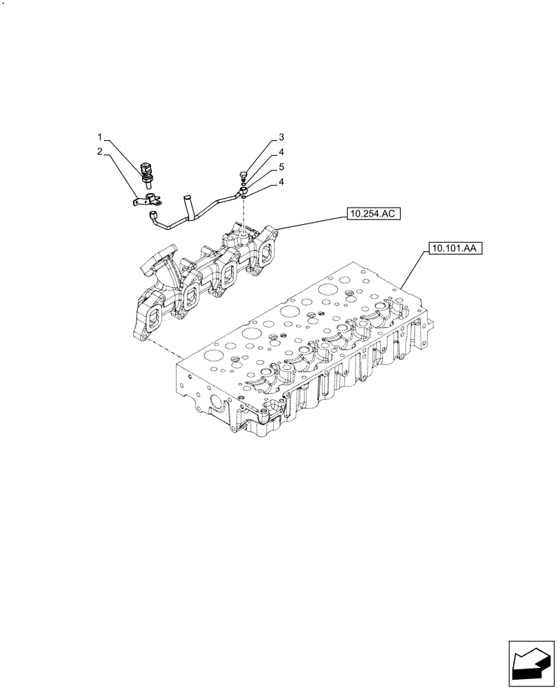
10.254.ac
4
2
4
5
1
3
10.101.aa
FIT
1:1
100%

Артикул

Название

Примечание

Количество

1

5801382522

SENSOR

Exhaust manifold pressure

1шт.

2

5801757834

BRACKET

Exhaust manifold pressure

1шт.

3

16511214

Exhaust manifold pressure

HYD CONNECTOR,M12 x 1.5 x 30mm

1шт.

4

5801495064

SEAL

Exhaust manifold pressure

2шт.

5

5801757359

PIPE

Exhaust manifold pressure

1шт.

Выбрано товаров: 5