Качественные детали и логистика
Оригинальные и аналоговые запчасти с доставкой по России, Казахстану и Беларуси
©2022 PartSell ООО "Система" ИНН 2463123282 ОГРН 1212400004838
Центральный офис: г. Красноярск, Академика Киренского, д.87, пом.4
Телефон: 8 (800) 777-65-74 Email: zakaz@partsell.ru
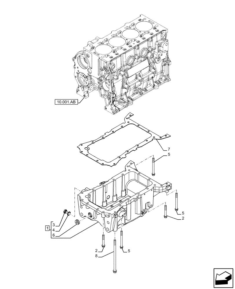
(10.102.AP) - ENGINE OIL PAN
№
Артикул
Название
Примечание
Количество
1
5801763150
SUMP
ASSY, Incl 3, 4, 6
1шт.
2
16676534
BOLT,M10 x 55mm
M10 x 55mm
3шт.
3
4894139
PLUG,Hex Soc, M22 x 1.5
Oil Sump
2шт.
4
17282280
GASKET
5
16677235
BOLT,M10 x 110mm
4шт.
6
16995111
PLUG,M35 x 1.5
Oil Sump, M35 x 1.5mm
7
504164360
8
16599434
BOLT,Hex, M10 x 180mm, Cl 10.9
Выбрано товаров: 0